74ls138仿真电路图

宅家也能做实验建大虚拟仿真实验助力教学云聚变
图片尺寸1080x495
单片机仿真软件proteus8.
图片尺寸1080x698
用multisim仿真的电路图
图片尺寸315x298
虚拟仿真助力在线实验教学,电路与模电数电实验顺利开展
图片尺寸558x432
基于pid控制方式的buck电路的设计仿真
图片尺寸640x494
图3 可以使用仿真工具(例如adi的ltspice03)对电路实施初始测试
图片尺寸502x270
multisim仿真软件安装包下载安装multisim软件仿真设计讲解3
图片尺寸660x461
0软件安装指南及教程,2024年最新版下载教程_仿真_腐竹_黑木耳
图片尺寸579x263
绘制好的仿真电路图如图9.
图片尺寸602x537
13中文版安装包下载|编辑器|仿真器|eda|proteus_网易订阅
图片尺寸640x467
【文原创】移相全桥的控制模型的建立和仿真
图片尺寸640x404
电子电路仿真软件
图片尺寸1573x877
multisim模拟电路仿真 multisim软件中文版下载安装及特色功能|晶体管
图片尺寸660x375
multisim软件是一个专门用于电子电路仿真与设计的工具软件.
图片尺寸660x308
用multisim仿真的电路图
图片尺寸220x152
【多图解析】开关电源从分析→计算→仿真
图片尺寸514x670
全减器
图片尺寸200x126
pcb设计中几款主流电子电路仿真软件优缺点比较
图片尺寸640x406
6-proteus电路仿真软件8.9中文版下载地址
图片尺寸660x471
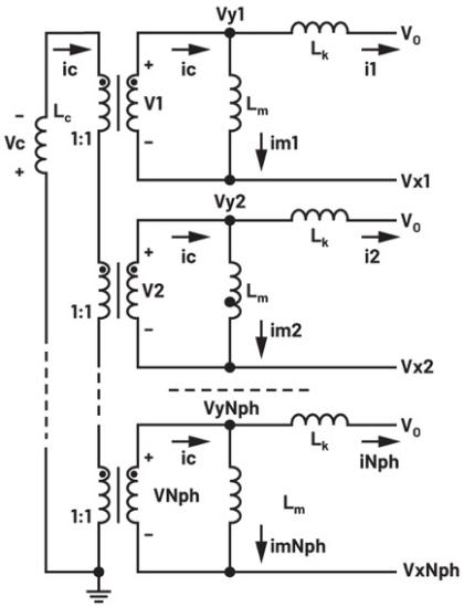
跨电感电压调节器的多相设计,决策和权衡
图片尺寸420x549