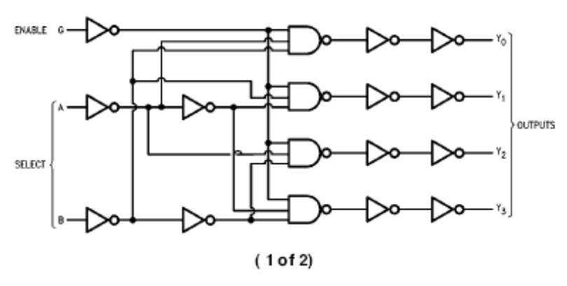
74ls139译码器逻辑图

multisim14.0仿真(十八)74ls138译码器
图片尺寸567x567
74ls138译码器内部电路逻辑图功能表简单应用
图片尺寸920x1302
用74ls138译码器,设计全加器
图片尺寸3808x3142
图片尺寸959x503
用74ls138译码器,设计全加器
图片尺寸3056x4076
由3-8译码器74ls138和逻辑门构成的组合逻辑电路图所示
图片尺寸489x506
—74hc138译码器(三个io实现8选1)
图片尺寸1392x654
图片尺寸394x299
74hc138怎么组成 32线译码器 怎么连接法,求电路图
图片尺寸541x448
编码器74ls148与译码器74ls138的逻辑功能及应用案例
图片尺寸1171x837
图片尺寸2410x1536
模拟仿真74h138译码器控制数码管
图片尺寸1134x708
3线-8线译码器74ls138的功能表3,74ls138逻辑符号无论从逻辑图还是
图片尺寸463x413
对于74x139译码器,在正常工作的情况下,当输入代码a1a0=01时,输出低
图片尺寸520x223
4 线