74ls153全加器实验图

数电实验三 全加器应用 1.
图片尺寸1571x1280
用3线8线译码器74ls138和与非门实现全加器功能.
图片尺寸2304x1442
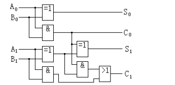
已知多路选择器74ls153组成的电路如下,请根据功能表分析该电路的功
图片尺寸810x1170
74ls163
图片尺寸793x1171
认识全加器
图片尺寸814x720
应用74ls139译码器和最少的与非门实现全减器.
图片尺寸810x1170
试用反相器和与或非门设计1位二进制全加器.
图片尺寸345x168
在加法器芯片领域,相关电子工程师一定不会对74ls283这款芯片陌生.
图片尺寸640x340
全加器
图片尺寸268x168
数字电路31半加器与全加器
图片尺寸789x592
数据选择器74ls153应用电路图大全(表决电路交通灯报警电路)
图片尺寸648x439
五,用一片4选1数据选择器74153实现逻辑函数 l
图片尺寸311x207
图6-19 用4选1数据选择器实现【实验内容】(1)用8选1数据选择器74ls
图片尺寸579x623
华理数字逻辑实验二全加器
图片尺寸407x317
实用一位加法电路-全加器(全加器真值表,全加器的逻辑组合电路),几种
图片尺寸812x360
一位二进制全加器
图片尺寸554x328
74ls153实现全加器
图片尺寸1080x810
集成双4选1数选器74153(74ls153)功能测试及简单实践应用仿真实训
图片尺寸916x310
3 编码器74ls148(8线-3线优先编码器)74ls147(二-十进制优先编码
图片尺寸709x592
用如图所示的8选1数据选择器74ls151实现下列函数.
图片尺寸449x226