74ls90二进制接线图

电子/电路 数字电子时钟实验报告 4,利用2 片74ls90d 芯片构成24 进制
图片尺寸641x463
74ls90芯片组成的8421码组成电路
图片尺寸640x377
【单选题】74ls90连接的计数电路电路如图所示,该计数器的模值是().
图片尺寸371x218
工程科技 电子/电路 multisim计数器实验好 multisim仿真60进制计数器
图片尺寸995x597
答:《数字信号处理》(第二版,第三版)西安电子科技大学出版社,丁玉美
图片尺寸797x404
74ls90n(用8421码)进制计数器
图片尺寸500x362
解:首先将74ls90接成8421bcd码十进制计数器.m=7的二进制代码为0111.
图片尺寸339x271
74ls90是二-五-十进制异步加法计数器,具有双时钟输入,并具有清零和置
图片尺寸509x542
具体用到了555震荡器,74ls9
图片尺寸599x470
集成计数器74ls90的引脚图 二进制时 钟信号 计数输 出端 五进制
图片尺寸1080x810
五一电子商品说明:《74ls90 》
图片尺寸264x256
数字电路课程设计课件(数字钟)
图片尺寸484x275
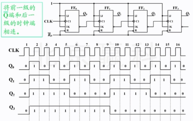
怎么用两片74ls90做一个16进制的计数器啊?
图片尺寸600x326
74ls90计数器是一种中规模二一五进制计数器,管脚引线如图3.
图片尺寸484x316
60 进制可用两片 74ls90 实现,选择十进制计数模式,一片负责个位,一片
图片尺寸640x687
用74ls90组成二十四进制计数器_cd4017是什么?
图片尺寸640x422
计数器的分类 ||异步二进制十进制|| 74290 8421 5421 || 数电
图片尺寸617x385
74ls90 是一个异步二-五-十进制集成计数芯片.
图片尺寸846x375
数字电子钟
图片尺寸679x512
新人求指教为什么对74ls90n计数器输入1hz脉冲而显示数码管不是1秒
图片尺寸1197x595