7805封装尺寸

7805贴片封装
图片尺寸654x854
如何辨别三极管7805输入输出地线
图片尺寸423x286
lm7805ct positive voltage regulators 2sc5200/2sa1943, ds1990a-f5
图片尺寸658x537
7805参数datasheetpdf下载
图片尺寸826x1169
changes 无铅封装可用 lead-free package is available mc7805bdt的
图片尺寸804x407
品牌:st 型号:7805 批号:10 封装:to-220 营销
图片尺寸710x799
lm7805封装外形图
图片尺寸613x632
贴片电容封装及尺寸示意图
图片尺寸520x642
l7805cv l7809cv l7812cv 7806 7815 7824 稳压器芯片 全新原装
图片尺寸790x2533
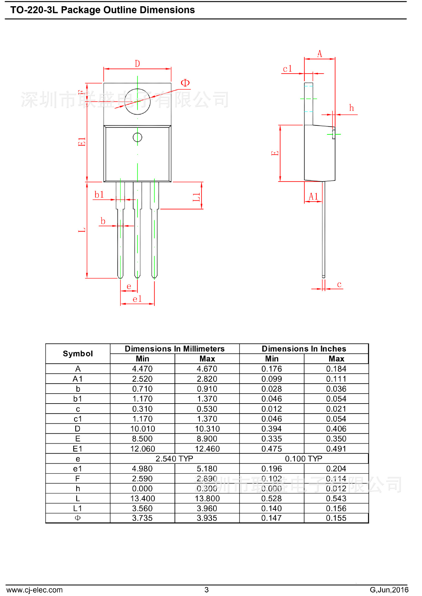
7805封装尺寸(to-220)
图片尺寸591x644
三端稳压7805和7905稳压原理及典型电路
图片尺寸526x640
mc7805bdt的包装尺寸
图片尺寸769x391
三端稳压7805和7905稳压原理及典型电路
图片尺寸531x650
元器件封装尺寸
图片尺寸603x600
贴片封装元件标准焊盘尺寸规格
图片尺寸518x644
> ka7805etu (fairchild semiconductor)ic reg ldo 5v 1a to-220 pdf
图片尺寸611x791
0805_0402_0603封装尺寸.pdf
图片尺寸792x1120
常用电子元件封装_尺寸_规格汇总.docx
图片尺寸993x1404
供应7805三端稳压ic to-220封装
图片尺寸1241x1778
直插三极管cj7805 三端稳压管封装t0-220 7805三极管长电原装现货
图片尺寸1359x1920