7806接线图

7806稳压电路图
图片尺寸605x324
谁知道直流12v变6v的接线图 用7806
图片尺寸832x640
l7806cv三个引脚怎样接
图片尺寸600x370
在图示电路中 已知w7806的输出电压为6v r1=r2=r3=200欧 求出输出电压
图片尺寸2000x3552
7806稳压三极管接线图
图片尺寸1152x648
直流- 热门商品专区
图片尺寸1062x505
三端稳压器7806怎样用
图片尺寸756x756
展开全部 加个7806稳压电路!
图片尺寸276x311
去修家电那买一个lm7806稳压集成,按这个图接好就能就能有6v输出,输出
图片尺寸317x200
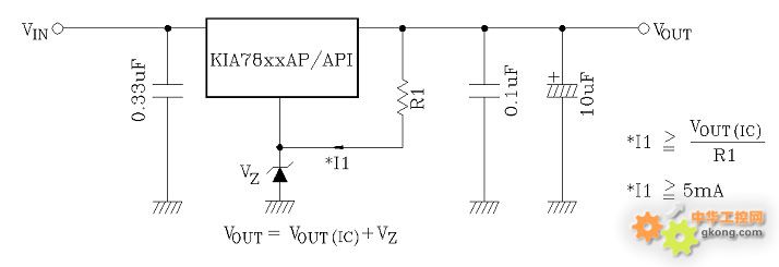
主题:7806稳压电源电路图
图片尺寸714x245
12v的电瓶上接线连接lm7806,但使用电瓶夹子,有夹错正负极的情况,7806
图片尺寸955x466
主题:7806稳压电源电路图
图片尺寸341x457
这个7805可以吗 该怎么接呢 回答 可以 等会 追问 好 7806正面朝自己
图片尺寸780x1040
12v转6v我这里买不到7806,请问还有其他方法吗?
图片尺寸509x553
想diy一个太阳能手机充电器 需要什么 该怎么做 在线等 板子是9v25w2.
图片尺寸600x395
怎样把12v的电压改成6v的?
图片尺寸500x300
7806稳压,电源12v,需要6a以上的电流,若用扩流电路,那pnp的型号,最好
图片尺寸1026x546
当然不用你的那些元件的话直接用个lm7806就可以了.
图片尺寸469x313
电压的三端稳压器的输出为24v(7824),12v(7812),9v(7809),6v(7806),5v
图片尺寸750x484
可以装一个7806的集成块就可以了
图片尺寸500x375