7840引脚电路图

7660pcb电路
图片尺寸682x407
变频器线性光耦a7840电流检测电路图解
图片尺寸727x400
线性光耦器件a7840的引脚功能图
图片尺寸200x136
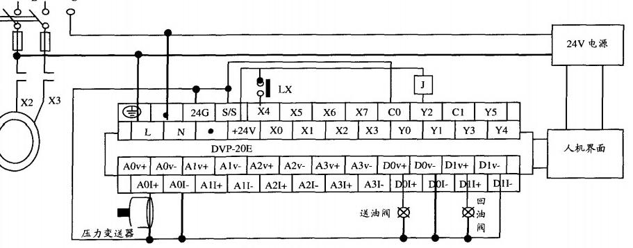
mt7840
图片尺寸5412x2616
变频器线性光耦a7840电流检测电路图解
图片尺寸800x269
光耦器材a7840的引脚图及其使用
图片尺寸699x491
光耦器材a7840的引脚图及其使用
图片尺寸616x426
l7820cf,l7820cf pdf中文资料,l7820cf引脚图,l7820cf电路-datasheet
图片尺寸826x1169![[学习笔记]杰发科技ac7840x测评】 can网关硬件设计](https://i.ecywang.com/upload/1/img2.baidu.com/it/u=4094662035,1367532947&fm=253&fmt=auto&app=120&f=JPEG?w=798&h=409)
[学习笔记]杰发科技ac7840x测评】 can网关硬件设计
图片尺寸841x431
部分集成电路引脚排列图
图片尺寸792x901
ob2226sp,ob2226sp pdf中文资料,ob2226sp引脚图,ob2226sp电路-data
图片尺寸827x1169
rx8025t官网手册中引脚,电路图,时序存在的问题
图片尺寸662x423
迷你主机卷死了!2000多就能入手7840hs旗舰主机,又是极摩客干的
图片尺寸1080x720
特性,应用,引脚排列,工作原理,内部结构及电路图 - 华强商城
图片尺寸409x250
变频器电路中光耦器件功能引脚图
图片尺寸667x349
光电隔离放大器hcpl-7840分析
图片尺寸911x357
电机控制芯片l298n的引脚排列l298n引脚编号与功能单片机寻迹避障
图片尺寸687x338
【原理图】分享几个光耦隔离电路原理图
图片尺寸501x457
ndfp03n150cg pdf中文资料,ndfp03n150cg引脚图,ndfp03n150cg电路
图片尺寸827x1169
部分集成电路引脚排列图
图片尺寸659x625