7850功放芯片电路图

tda7850如果驱动8欧喇叭能输出多大功率,请高手给予答服!
图片尺寸718x598
各位高手有没有用过tda7850功放板的
图片尺寸700x448
用汽车功放芯片tda7850做电子二分频.
图片尺寸862x525
6cd机换tda7850功放芯片-爱卡汽车网论坛
图片尺寸488x607
卡仕达变3导航7388功放芯片改国产7850音效有提升
图片尺寸587x906
12款马六功放ic换ta7850成功
图片尺寸400x360
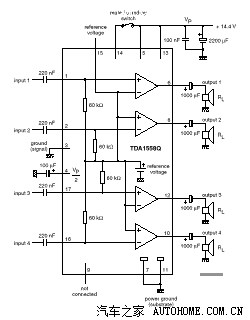
tda7850h应用电路图
图片尺寸594x475
tda7850
图片尺寸773x557
我也来搞h2小卡机头更换tda7850提高音质
图片尺寸700x283
tda7850
图片尺寸922x1361
关于想改功放tda7850的车友进来看一下
图片尺寸250x320
0-tda7377加装tda7850功放板,希望版主加精!谢谢!
图片尺寸700x497
求tda7850电路图谢谢!
图片尺寸481x600
舒适版cd改tda7850真是太容易了,喜欢折腾的可以上
图片尺寸400x303
做个tda7850和pa2030a之类的功放
图片尺寸800x517
听几天后又有改装冲动里功放用tb2931hq网查资料可以tda7850互换只要
图片尺寸400x293
放毒!爆改h530车载cd功放,更换tda7850集成功放块
图片尺寸400x395
tda7850各个引脚作用及简直功放制作方法
图片尺寸500x839
哪些车型原车音响的功放ic可以改为tda7850 tda7854?
图片尺寸416x692
锋驭原装导航tb2939hq改tda7850完美成功无高频自激噪音
图片尺寸700x446