8位乘法器电路图

8bit的乘法器,因为结构有点复杂,所以想先把电路图画出来再来用
图片尺寸976x880
logisim一个简单的8位乘法器
图片尺寸642x380
4象限8比特乘法器-数字电路图-电子产品世界
图片尺寸789x533
乘法器电路设计方案汇总(五款模拟电路设计原理及仿真程序分享)
图片尺寸448x346
乘法器对数运算电路应用
图片尺寸327x344
原码一位乘法器设计_最终实现的电路完成8*8位无符号数乘法需要几个
图片尺寸1084x942
无忧文档 所有分类 工程科技 电子/电路 集成模拟乘法器
图片尺寸518x568
数字电路#12 乘法器 上集
图片尺寸1728x1080
硬件电路乘法器设计4bit8bit乘法器使用移位相加法实现4bit乘法器并
图片尺寸1156x1080
ad835乘法器模块资料 - 电路设计论坛 - 中国电子技术论坛 - 广受欢迎
图片尺寸1047x653
模拟乘法器作用及电路
图片尺寸637x486
01%的模拟乘法器 - 模拟电路 - 21ic中国电子网
图片尺寸709x497
硬件电路乘法器设计4bit8bit乘法器使用移位相加法实现4bit乘法器并
图片尺寸1186x1080
有负载驱动能力的乘法器
图片尺寸1696x890
进位保留乘法器
图片尺寸1035x663
吉尔伯特单元模拟乘法器混频器
图片尺寸1099x502
基于四象限的ad633低成本模拟乘法器
图片尺寸557x275
电路:三种乘法器原理讲解
图片尺寸440x460
乘法器
图片尺寸650x466
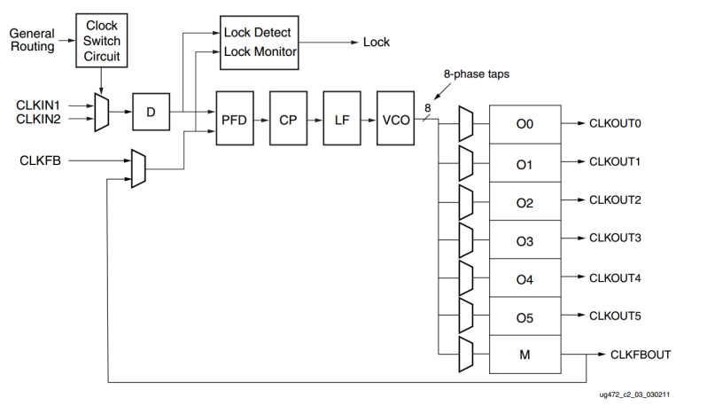
锁相环,反馈控制电路pll对时钟网络进行系统级的时钟管理和偏移控制
图片尺寸798x458