8项电动座椅接线图

电动座椅系统检修
图片尺寸1067x655
电动座椅的工作原理
图片尺寸1308x768
汽车电动座椅的诊断与修复
图片尺寸1150x669
电动座椅的工作原理
图片尺寸1596x945
奥德赛电动座椅控制系统电路图
图片尺寸573x671
2009年东风雪铁龙世嘉16at全车电路图驾驶员电动座椅
图片尺寸920x1301
汽车电动座椅系统ppt
图片尺寸1080x810
腰托模块,主驾座椅-记忆功能,座椅记忆模块,副驾座椅-电动四向调节,四
图片尺寸1506x1462
奥迪a6l右前电动座椅不能调节故障
图片尺寸2278x2592
汽车电动座椅的结构与工作原理(ppt)
图片尺寸640x480
广本雅阁23l轿车电动座椅所有调节开关无法调节故障现象诊断与排除
图片尺寸650x493
宝马5系电路电动座椅乘员座椅1
图片尺寸800x1316
电动座椅功能构造与工作原理
图片尺寸972x614
新途胜电动通风加热座椅升级 方向盘加热升级改造技术篇行者无疆1892
图片尺寸700x933
电动座椅的构造与工作原理
图片尺寸542x462
奥德赛电动座椅控制系统电路图
图片尺寸573x671
电动座椅功能构造与工作原理
图片尺寸970x634
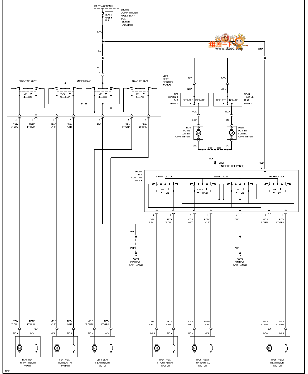
马自达96taurus电动座椅腰部电路图
图片尺寸1232x1497
丰田凯美瑞电动座椅接线图
图片尺寸1018x1529
凯迪拉克座椅安全系统电路图
图片尺寸1034x1255