80c52单片机引脚图

80c51单片机的引脚排列说明
图片尺寸415x293
51单片机初步理解
图片尺寸933x724
单片机基于80c51计算器仿真
图片尺寸880x853
80c51单片机的引脚功能
图片尺寸289x338
1 80c51单片机引脚说明
图片尺寸893x401
单片机学习一
图片尺寸1101x666
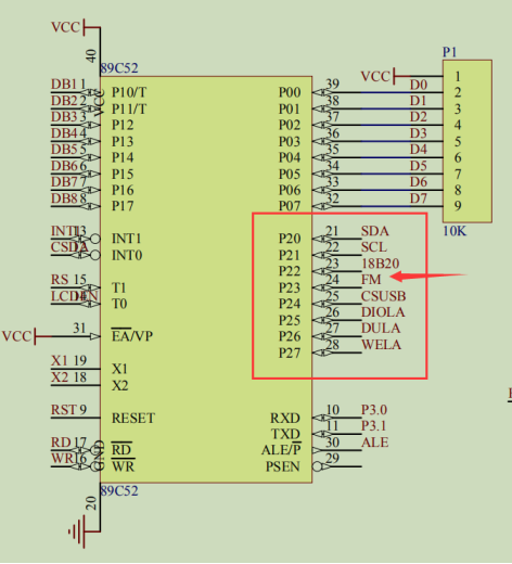
以80c52单片机为控制核心,所用8个led灯,晶振电路和复位电路,采用模块
图片尺寸614x634
这是80c52单片机引脚图,位于英文版第1页
图片尺寸476x649
51单片机的主要产品
图片尺寸450x233
80c52脚针图详细版 - 51单片机
图片尺寸1460x990
一个电铃和一个电动机组成并联电路开关s1控制电铃
图片尺寸346x259
单片机最小系统原理图
图片尺寸681x544
51单片机学习
图片尺寸472x520
1 80c52芯片 80c52系列中,用chmos工艺制造的单片机都采用双列直插式
图片尺寸409x515
﹡intel的:80c31,80c51,87c51,80c32,80c52,87c52等;80c51系列单片机
图片尺寸893x502
51单片机中,如何编程使其按下第一个开关数显显示0(或1).
图片尺寸933x667
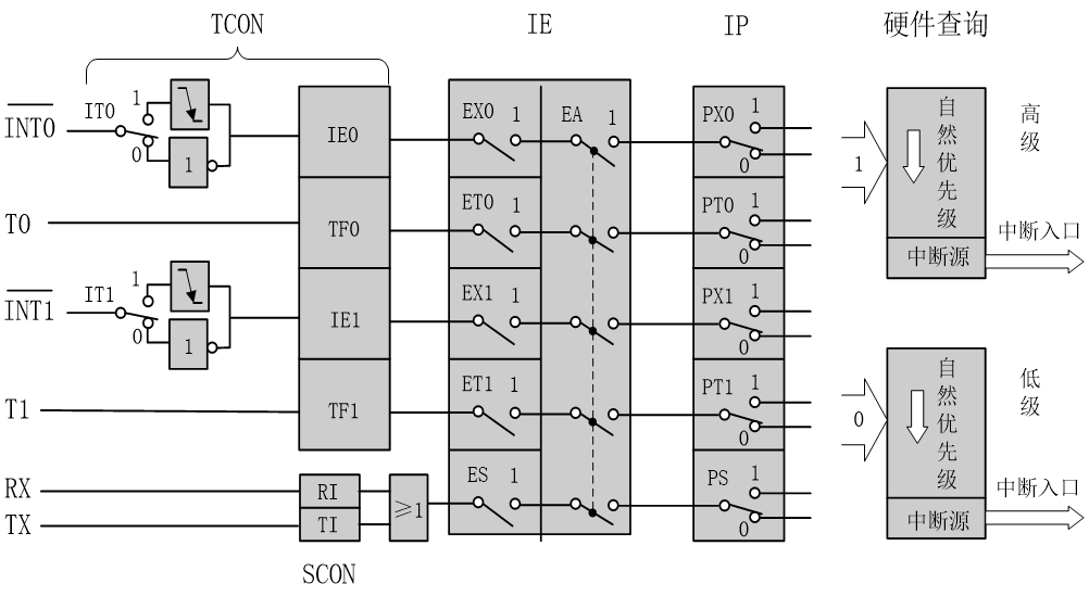
(而80c52单片机有四个中断优先级,即可实现四级中断服务嵌套)下图可以
图片尺寸1002x549
shqi单片机系列一stc89c52单片机入门向单片机系列介绍
图片尺寸533x603
80c52单片机提供了两个外部中断口: int0(p3.2)和int1(p3.3).
图片尺寸527x558
1 p0l293d01 en12 out1 3 m a motor b p0c201 p0c202 c 80c52 jxyang
图片尺寸3565x2355