8421

8421码科技产品
图片尺寸954x948
8421 bcd码编码表
图片尺寸642x858
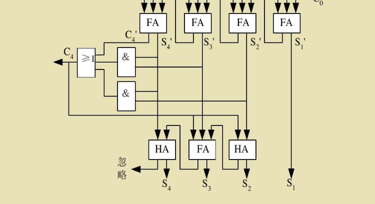
数电大作业-一位十进制数8421bcd码加法器
图片尺寸711x581
常见的 bcd 码:8421 码,5421 码,2421 码,余 3 码.
图片尺寸1057x675
计算机组成原理王道考研2021第二章数据的表示和运算bcd码掌握8421码
图片尺寸1467x823
供货优质gs-842不变形油钢 gs-8421模具钢 规格齐全 品质保证 576
图片尺寸830x830
8421bcd码4寸2位数码管显示屏位选锁存plc 485modbus/232通讯从机
图片尺寸3968x2976
si8421ab si8421ab sop-8 全新正品 一换即好进口
图片尺寸700x700
全新进口bcd 8421 0-9/16/10位 0-f 旋转编码拨码开关 dip/贴片
图片尺寸800x800
decimal 用二进制编码的十进制简便运算:有权码:8421码(每位对应权值8
图片尺寸936x471
丝印mb8421-90lpfq-g.-mb84066bfp-g-bnd-mb84016bpf-g-bnd
图片尺寸800x1107
请问k8421停杭州哪个站
图片尺寸450x305
优质gs-842不变形油钢 gs-8421模具钢 规格齐全 品质保证 1999
图片尺寸830x830
8421法怎么用
图片尺寸750x408
【诺亚商贸】咸味食品增香 聊城新恒基qs8421鸡肉油状香精1000克
图片尺寸707x707
西门大关人8421
图片尺寸360x1200
si8421bb-d-is 〖dgtl iso 2500vrms 2ch gp 8soic
图片尺寸640x640
aquatix 8421 水性颜料银粉 定向剂 流变改性蜡助剂 byk 8421
图片尺寸800x800
用8421开关构成的十进制数字显示电路
图片尺寸750x452
数字开关8421码-拨码开关
图片尺寸800x800