93c56常用电路图

电路保险器的功用 常用的汽车电路保险器
图片尺寸1612x977
冠龙eh-19at3电磁炉电源电路图纸.jpg
图片尺寸2299x1987
str-g5653
图片尺寸2082x1147
hifidiy论坛-请老师帮忙看一下pcm56的电路图有没有错误?
图片尺寸800x1068
电脑维修基础之主板cpu供电电路原理图
图片尺寸400x303
风之声音乐王子放大器放大电路
图片尺寸2048x1770
电视游戏机电路
图片尺寸1026x1173
声控灯电路如下,请分析下过程,这个图能实现声控灯吗?
图片尺寸1103x560
h桥驱动电路原理图及使能控制和方向逻辑
图片尺寸455x371
并联时稳压电源电路
图片尺寸897x581
常用led充电式手电筒,应急灯电路图
图片尺寸559x309
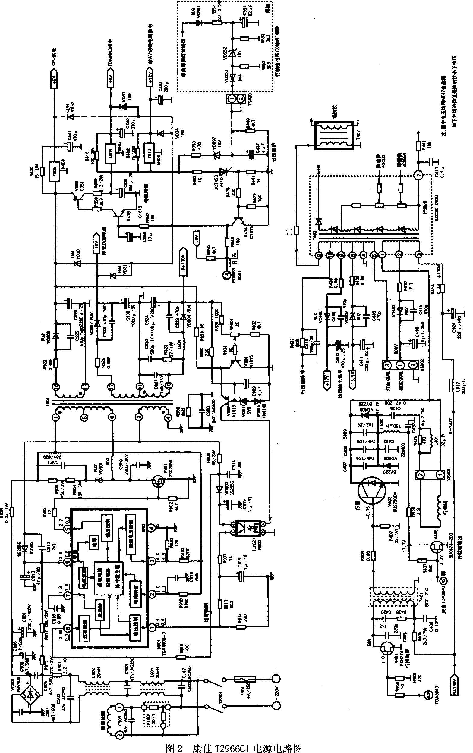
康佳"c"系列大屏幕彩电电路原理图解
图片尺寸1569x2500
求各位大侠,哥哥,姐姐,大叔,大婶赏给小弟一个小胆机的电路图(效果
图片尺寸1161x806
sep_电路
图片尺寸1602x694
两种有源二分频功放电路01
图片尺寸562x394
fm93c46
图片尺寸407x395
mf63万用表电路图.jpg
图片尺寸1833x1336
电磁抱闸控制电路
图片尺寸480x469
市场上常用的电动车48转12转换器电路图两款
图片尺寸543x394![常用电路图1[1]](https://i.ecywang.com/upload/1/img2.baidu.com/it/u=2187198685,3810941045&fm=253&fmt=auto&app=138&f=JPEG?w=653&h=478)
常用电路图1[1]
图片尺寸653x478