98帐篷规格型号

12人寒区棉帐篷多人野营户外帐篷84a班用野外帐篷救灾帐篷三角纱默认
图片尺寸790x865
帐篷规格尺寸图
图片尺寸750x388
产/ 品 / 介 / 绍
图片尺寸597x811
厂家直销自动双层帐篷户外野营用品3-4人双层防雨露营加工定制
图片尺寸750x658
巨浪应急防汛抗洪消防救援帐篷户外防水帐篷经典款56红色33米款
图片尺寸750x931
婴儿防风斗篷9秋装3男外出5披风6三个月2宝宝外套1
图片尺寸750x473
合肥露营63露营帐篷有哪些外形篇
图片尺寸1080x1443
派对帐篷2_07
图片尺寸790x391
3*4全棉帐篷 工地施工帐篷 帆布帐篷厂家 济南齐鲁帐篷
图片尺寸750x703
shock clan 军绿色98-10型棉帐篷帆布班用帐篷办公住宿应急救援野外
图片尺寸800x800
攀能双人自动帐篷
图片尺寸861x635
朗天帐篷尺寸图
图片尺寸1024x839
久臻 yyj98 应急救灾帐篷 隔离防汛救援帐篷 民政赈灾民用救灾帐篷
图片尺寸800x800
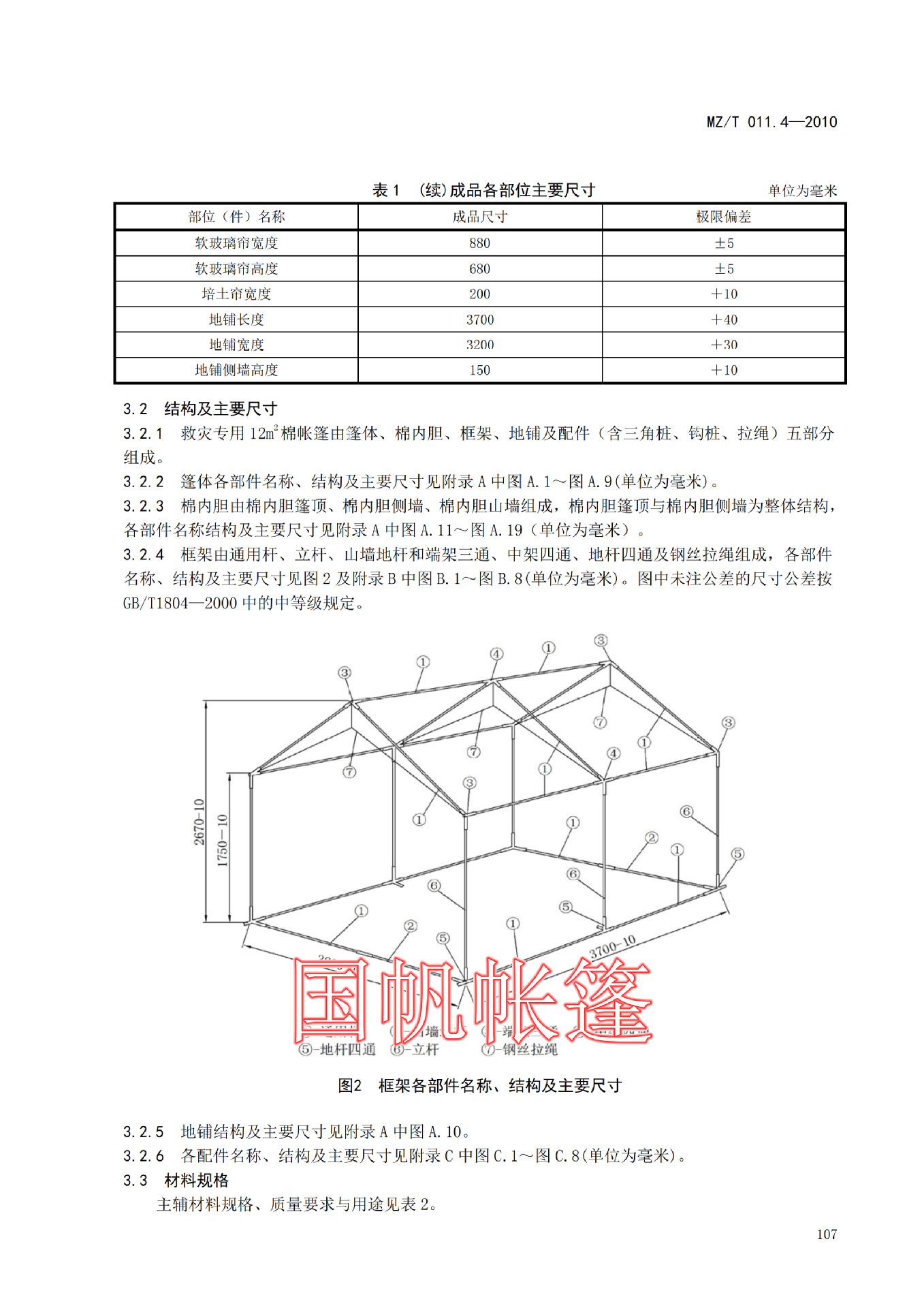
12平米应急救灾棉帐篷|12平米救灾棉帐篷,3*4民政应急救灾棉帐篷
图片尺寸1357x1920
4*4.6m户外野外露营指挥班用帐篷 98棉军绿色帐篷
图片尺寸800x800
厂家骆驼帐篷户外2-3人野营用品全自动帐篷双人双层野外露营帐篷
图片尺寸754x556
敏阔 双人双层帐篷 户外情侣野营防雨帐篷 2人帐篷
图片尺寸750x772
盛卓基 98-10型班用棉帐篷 防洪防汛救援帐篷 防水帆布野外露营帐篷
图片尺寸800x800
捷诺立(jnl)帐篷 班用帐篷炊事餐厅98-10班用帐篷标准班用帐篷4.4m*4.
图片尺寸800x800
睿战队 98-10班用帐篷应急救援救灾指挥加厚保暖帐篷
图片尺寸800x800