CD4046加3525感应加热

可应用于遥控接收器的cd4046
图片尺寸1518x1332
cd4046高频感应加热设备总控原理图
图片尺寸945x1338
cd4046锁相环在感应加热电源中的应用
图片尺寸1696x2321
cd4046应用
图片尺寸2434x3428
cd4046高频感应加热设备总控原理图
图片尺寸487x313
cd4046 锁相环 频率跟踪 电磁加热
图片尺寸568x653
用cd4046组成的比较式电
图片尺寸1505x661
中频感应加热电源电路图
图片尺寸591x401
用cd4046组成的相位检测仪
图片尺寸1509x1023
感应加热变频电源的频率跟踪(图)
图片尺寸500x252
号,经过场效应管2sk117预放大,μpc1373h选频,放大后再由cd4046构成的
图片尺寸416x191
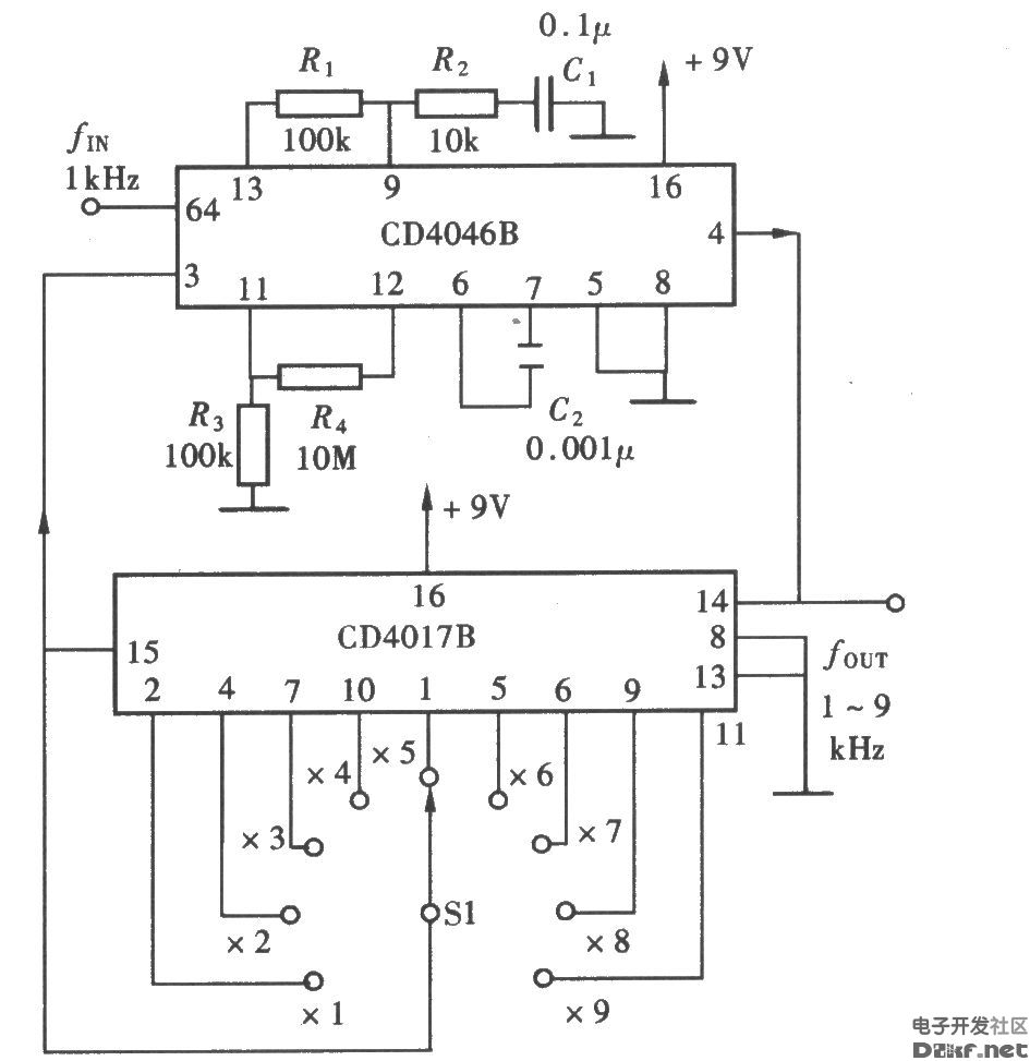
用cd4046组成的100倍频电路-电路图-aet-中国科技核
图片尺寸824x743
芽原基
图片尺寸945x973
用cd4046组成的三角波发生器
图片尺寸1269x1377
一款用3525的纯正弦波逆变驱动器
图片尺寸800x424
cd4046中文资料pdf
图片尺寸392x220
用cd4046组成的频率锁定指示器
图片尺寸1109x514
求救:用cd4046频率跟踪电路,仿真结果不对,麻烦大神
图片尺寸1080x577
mm74hc4046在感应加热电源中用法的改进_电源技术
图片尺寸500x375
cd4046锁相环在感应加热电源中的应用
图片尺寸939x885