CD4060组成50Hz电路图

数字电路cd4060的应用
图片尺寸2434x3428
求cd4060bm芯片做50hz方波电路图
图片尺寸552x492
proutues仿真cd4060 1hz脉冲发生器 - proteus论坛
图片尺寸795x461
高精度50hz时基信号源(cd4060)电路图信号发生 电路图
图片尺寸800x714
69 * (r1 *c1 r2 * c2)按电路图中的参数,r1,r2都取100kohm的话:t =
图片尺寸600x374
巧用cd4069改短波收音机为双带收音机电路图
图片尺寸713x439
用cd4060制作时间控制器电路图
图片尺寸833x251
求问数字时钟cd4060电路电阻的一些问题
图片尺寸1030x677
cd4060内部结构及典型应用电路
图片尺寸652x1041
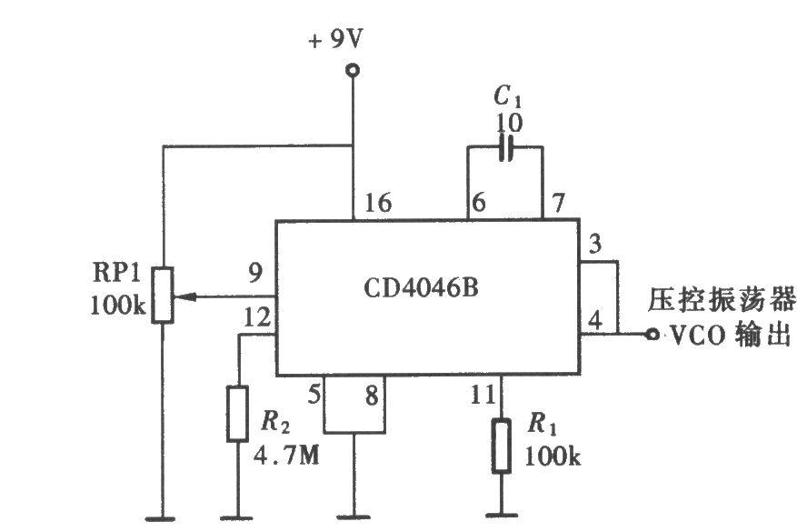
cd4046
图片尺寸877x585
cd4060振荡频率电路图
图片尺寸363x255
cd4060晶振电路不起振,或者输出性波动大
图片尺寸663x644
触发器/3111144" data-lemmaid="3111144">施密特触发器 /a>电路组成
图片尺寸1500x1706
cd4060秒脉冲设计
图片尺寸920x1301
高精度50hz时基信号源(cd4060)-信号发生电路图-电子产品世界
图片尺寸1225x1093
cd4060引脚图
图片尺寸920x1302
cd4060
图片尺寸814x1812
发生器电路
图片尺寸641x351
cd4060最全中文参考资料引脚定义电路连接doc
图片尺寸920x1302
高精度50hz时基信号源cd4060电路图
图片尺寸800x714