JK触发器电路图

jk触发器的逻辑功能表_数字电子技术3——时序逻辑电路
图片尺寸716x400
jk触发器的组成和逻辑功能(1)电路结构和图形符号jk触发器是在同步rs
图片尺寸529x328
sivic3g">jk触发器是 a target="_blank" href="/item/数字电路/1705"
图片尺寸1080x810
sivic3g">jk触发器是 a target="_blank" href="/item/数字电路/1705"
图片尺寸4032x3024
j-k触发器
图片尺寸383x209
数电,如图jk触发器逻辑电路,请问这个触发器的"j"和"k"的表达式是什么
图片尺寸566x353
jk触发器
图片尺寸562x375
jk触发器信号问题 - 电路设计论坛 - 中国电子技术论坛 - 最好最受
图片尺寸674x383
> jk触发器
图片尺寸850x553
jk触发器的逻辑功能表数字电子技术3时序逻辑电路
图片尺寸663x424
jk触发器 -解决方案-华强电子网
图片尺寸402x566
脉冲触发jk触发介绍数电53节
图片尺寸1253x602
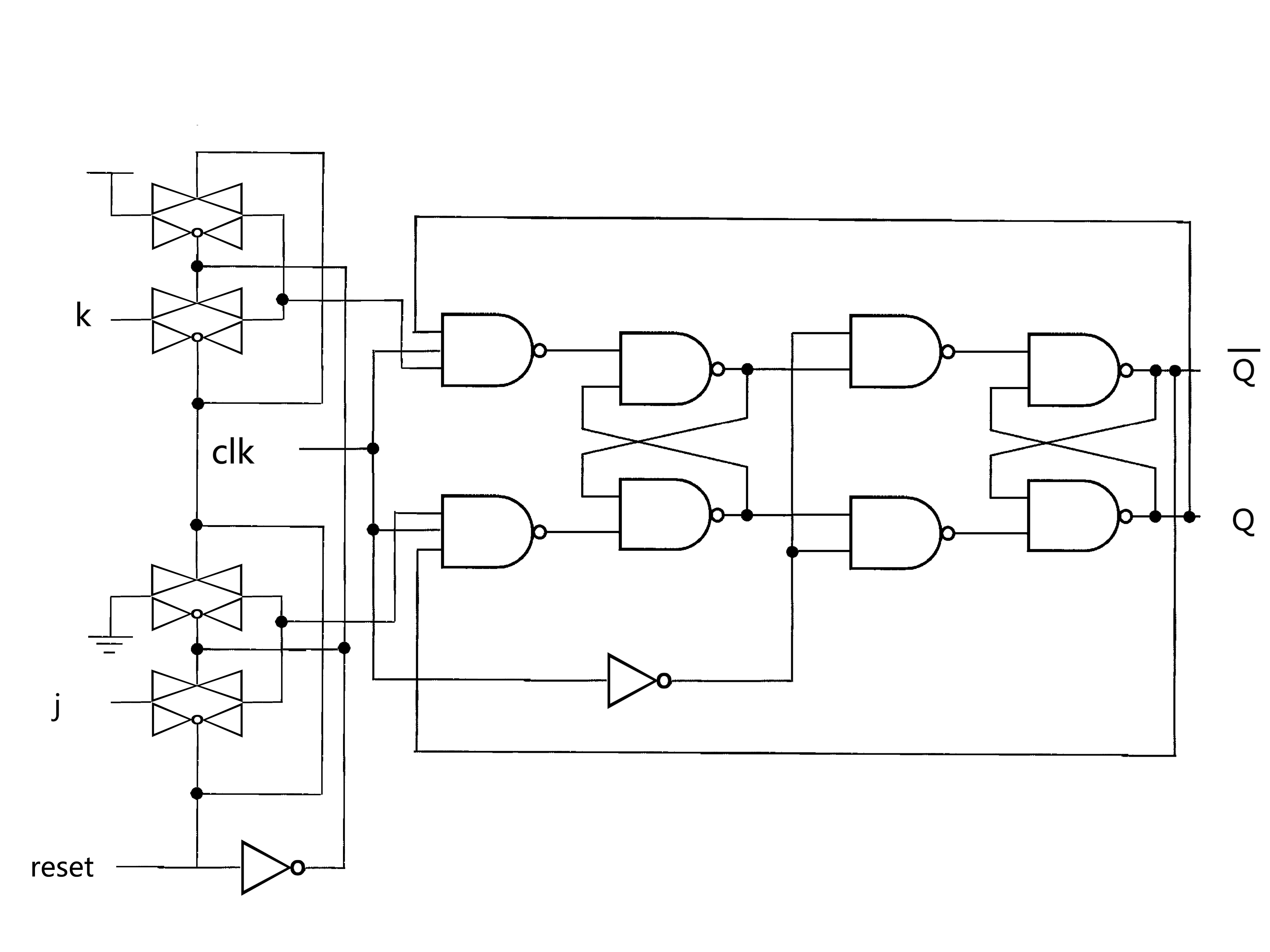
一种可异步置数的可逆双边沿jk触发器
图片尺寸1156x941
触发器 - 电路设计论坛 - 中国电子技术论坛 - 广受欢迎的专业电子
图片尺寸2000x2000
写出rsjk触发器的特性方程为什么rs触发器有约束方程而jk触发器没有
图片尺寸1757x896
超级简单画红框的同步jk触发器的qn 1是怎么计算出来的,求详解?我笨
图片尺寸778x461
采用jk触发器设计五进制计数器
图片尺寸811x671
jk触发器的单键双稳态电路,不太可靠,有时候不翻转,高手帮个忙分析一
图片尺寸531x533
由jk触发器构成的时序电路如图所示,假设当前状态q
图片尺寸516x224
jk触发器构成的5进制计数器,为什么进位输出c会滞后一个信号?
图片尺寸565x298