LM339N

lm339n二值化芯片.jpg
图片尺寸500x430
lm339n
图片尺寸1351x1351
lm339n - 傲佑商城
图片尺寸640x640
lm339n
图片尺寸327x316
lm339 电压比较器 逆变直流焊机维修常用集成块
图片尺寸1200x900
采用lm339比较器的电磁炉不检锅检修
图片尺寸356x311
lm339n直插dip-14高性能四路电压比较器芯片 电磁炉维修专用配件
图片尺寸700x700
lm339n dip-14 全新原装 四高精度电压比较器芯片
图片尺寸800x800
lm339n设计正弦波转方波的过零比较器在20khz下失真有人能解释下原因
图片尺寸527x313
格力gc一2058电磁炉lm339n各脚正常电压
图片尺寸720x1280
公式 使用特权 评论回复赏 点赞 相关资料 电压比较器lm311-23页-1
图片尺寸1155x776
全新原装进口 lm339n (拍1件发5个)
图片尺寸810x810
云野 ic集成电路lm339n dip14直插 4通道比较器 开路集极输出 芯片
图片尺寸800x800
一款功率逆变器电路图
图片尺寸718x445
hk33突击步枪
图片尺寸650x429
lm339中文资料
图片尺寸587x308
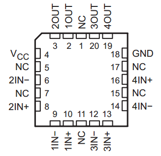
lm339引脚图
图片尺寸320x371
这个枪是真的吗?
图片尺寸568x800
原厂原装 lm339n 封装dip-14 全新四高精度电压比较器 lm339
图片尺寸800x800
lm339
图片尺寸925x481