TL494功放升压电路图

tl494初步使用心得
图片尺寸1803x1018
494升压电路求助
图片尺寸960x520
七,tl494 应用电路
图片尺寸843x483
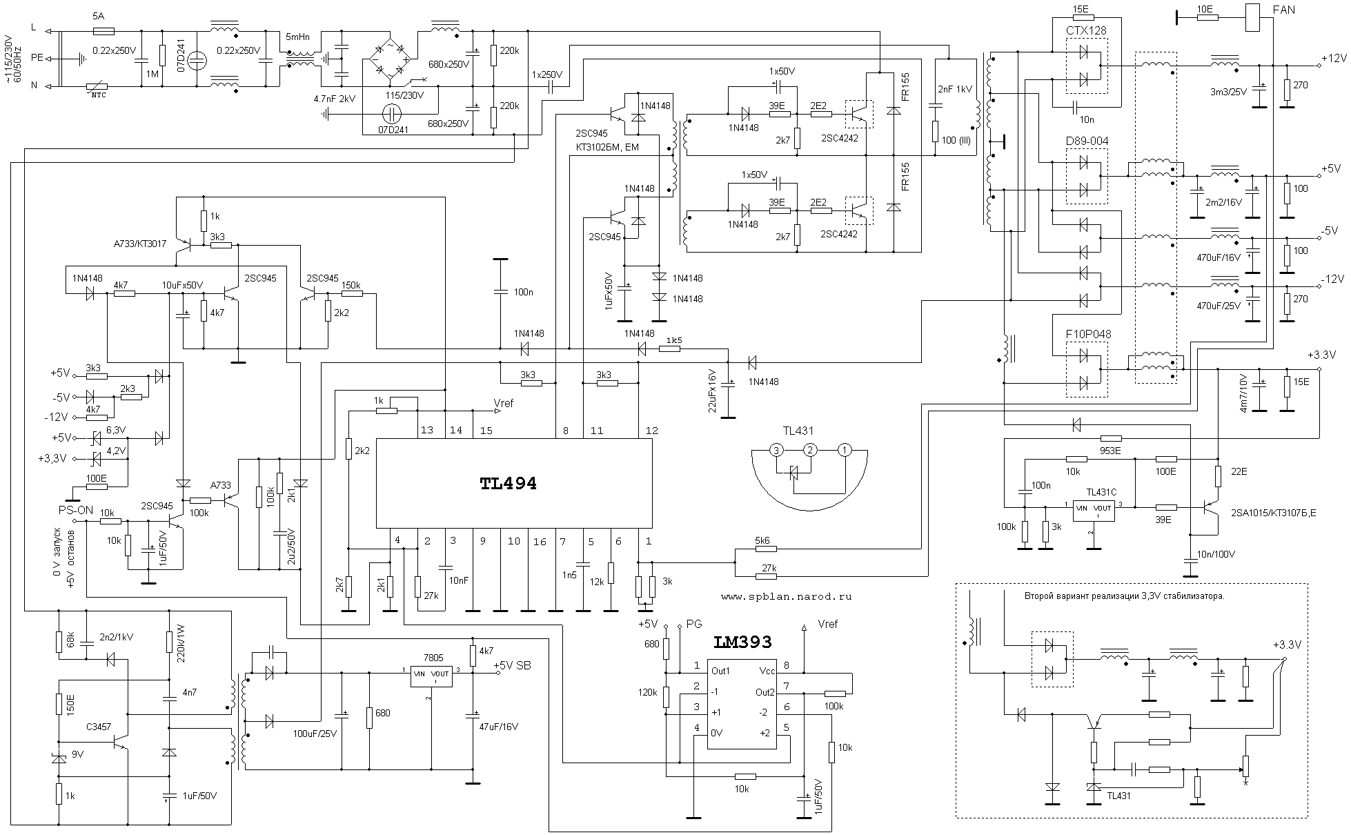
tl494
图片尺寸1958x1210
汽车低音炮电路,12v蓄电池如何给功放部分提供电源
图片尺寸3497x2190
tl494电源原理图.gif
图片尺寸1380x688
com/topic/432917 tl494是功能非常完善的pwm驱动电路,对於一般的
图片尺寸855x645
汽车 功放 加功率
图片尺寸1207x1547
一tl494电压升高换变所有电容都无用有测量电压大家进来分析一下
图片尺寸1000x629
按住ctrl,滚动鼠标滚轮可自由缩放
图片尺寸3309x2339
tl494升压电路,12v升24v
图片尺寸550x733
tl494降压电路图
图片尺寸820x559
基于tl494的汽车低音炮电路
图片尺寸1197x876
200watx电源tl494电路
图片尺寸2486x1523
tl494控制汽车音响逆变电源电路图
图片尺寸805x595
tl494 应用电路
图片尺寸893x398
展开全部 tl494驱动呀
图片尺寸923x641
tl494控制的充电器分段调压电路原理
图片尺寸1877x1013
tl494设计的汽车低音炮电路图
图片尺寸680x441
tl494这种用法
图片尺寸1124x627