TQ5V继电器引脚

松下信号继电器tq2-5vtq2-dc5v tq2-5vdc atq209 10脚1a原装现
图片尺寸1189x741
单片机快速实现网络摄像机 pwm舵机 继电器 ad电压采集
图片尺寸946x839
热销t73超小型继电器 5v10a继电器 智能家居专用12v继电器4脚
图片尺寸790x694
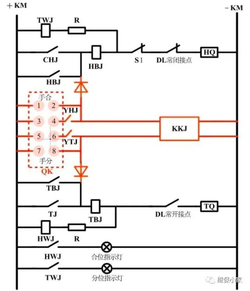
断路器控制回路断线分析_接点_操作_继电器
图片尺寸812x944
断路器控制回路断线分析_接点_操作_继电器
图片尺寸824x728
继电器 sra-05vdc-cl 汽车继电器 5v 20a 14vdc t74 黑色 5脚
图片尺寸400x400
继电器tq25vatq209全新
图片尺寸697x534
宏发继电器 hf33f/005/012/024-zs3 5v 12v 24v 5a 5脚 一组转换
图片尺寸800x800
新款 1路继电器模块 5v高电平触发 继电器扩展板
图片尺寸480x480
富士继电器 fuji继电器 hh54pw-fl 拍前请议价-阿里巴巴
图片尺寸360x360
单片机快速实现网络摄像机 pwm舵机 继电器 ad电压采集
图片尺寸804x1542
单片机快速实现网络摄像机 pwm舵机 继电器 ad电压采集
图片尺寸660x598
josef约瑟 tq-100同期继电器 额定直流电压220v 交流电压100v±10v
图片尺寸1200x1200
esp8266控制继电器支持homekit
图片尺寸4032x3024
全新原装hf33f012继电器5v9v12v24v48vzs3jzc33f005024hs3
图片尺寸310x233
1路 2路 4路 30a带光耦隔离支持高低电平触发开关继电器模块5v12v
图片尺寸800x800
宏发功率继电器hf3ff jqc-3ff-012-1zs(551)12vdc 10a5脚一组转换
图片尺寸1218x1920
aqz102d 光耦继电器 全新原装 原厂售保-阿里巴巴
图片尺寸360x360
josef约瑟 tq-100同期继电器 额定直流电压220v 交流电压100v±10v
图片尺寸1200x1200
多功能定时时间继电器5v12v24v可编程光耦隔离脉冲循环触发
图片尺寸360x280