a7847光耦各脚功能图

qcpl-7847-500e sop-8 全新安华高原装现货 avago高速光耦ic
图片尺寸610x504
a316j驱动电路 驱动光电耦合器与集成中文资料
图片尺寸786x489
a7800a全新原装igbt驱动光耦的中文参数信息和pdf技术资料
图片尺寸740x465
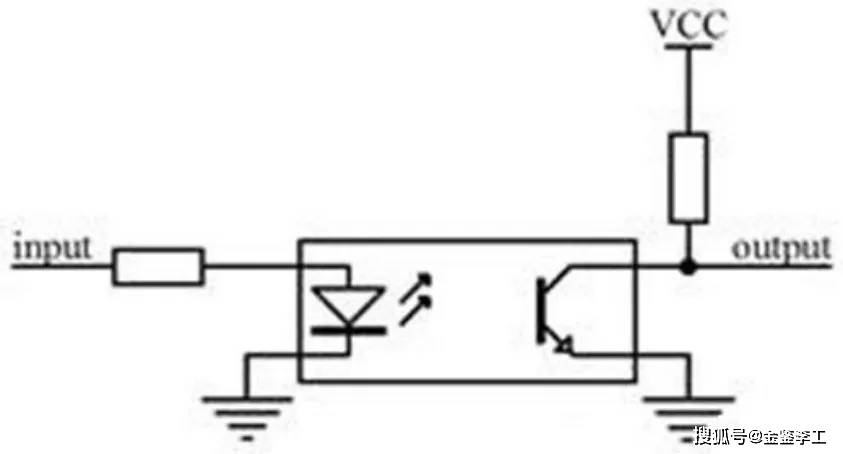
光耦内部结构图
图片尺寸851x1034
hcnr201a线性光耦
图片尺寸1280x710
常用的4脚线性光耦有pc817a----c.pc111 tlp521等.
图片尺寸648x638
拆解报告nothingcmf65w2c1a氮化镓快充充电器c332
图片尺寸948x1437
变频器当中常见的三种光耦类型
图片尺寸274x409
光耦与aec-q102_搜狐汽车_搜狐网
图片尺寸843x454
东芝推出具有2.5a输出电流的智能栅极驱动光耦
图片尺寸500x281
a7800的中文参数信息,a7800的pdf技术资料,变频器驱动光耦a7800,变频
图片尺寸650x496
丝印a782t全新原装acpl500e782t光隔离放大器光耦芯片dip
图片尺寸310x310
提供全套快充解决方案,一文了解瑞萨历年拆解案例|光耦|瑞萨|电子
图片尺寸700x467
多功能定时时间继电器5v12v24v可编程光耦隔离脉冲循环触发-阿里巴巴
图片尺寸360x280
vbus开关管来自万国半导体,型号aon7140,nmos,耐压40v,导阻1.
图片尺寸1422x800
科技巨擘集结,全球领先企业竞相发力隔离驱动芯片市场|电源|光耦|驱动
图片尺寸660x440
vbus开关管型号aon7140,与usb-c接口相同.
图片尺寸1422x800
华为cloudengine16800交换机电源拆解百万级设备电源不简单
图片尺寸640x427
提供全套快充解决方案,一文了解瑞萨历年拆解案例|光耦|瑞萨|电子
图片尺寸700x467
提供全套快充解决方案,一文了解瑞萨历年拆解案例|光耦|瑞萨|电子
图片尺寸700x394