abb变频器接线图

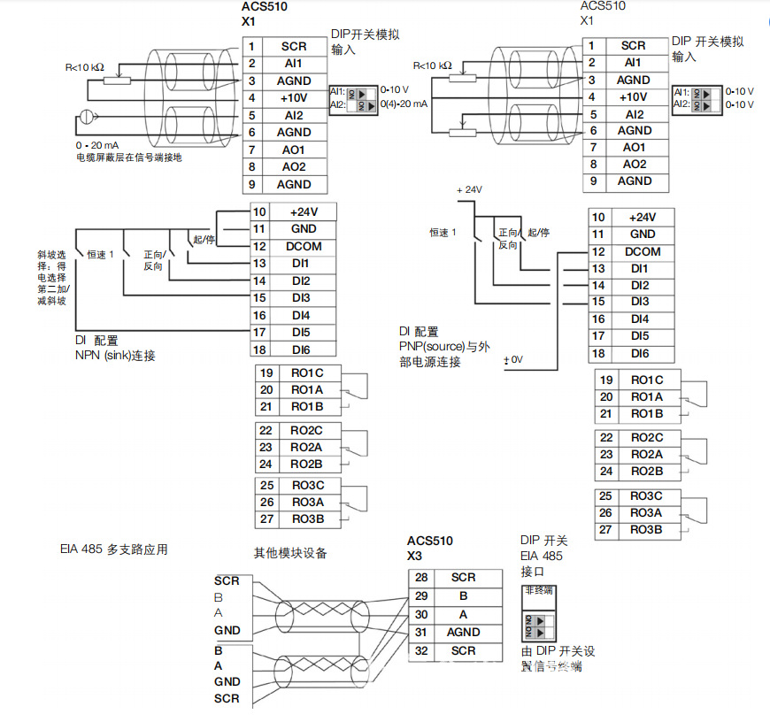
abb变频器acs510接线图及参数表
图片尺寸1754x1235
abb acs510变频器pid恒压供水"一拖二的电路图,调试参数哪位朋友可以
图片尺寸642x651
abb变频器acs800上的连接线怎么连接的
图片尺寸603x903
acs580-01-07a3-4 abb原装正品变频器特价 支持安装调试参数
图片尺寸1920x1920
abb变频器acs880系列接线端子说明
图片尺寸600x518
abb变频器的手自动控制原理图
图片尺寸577x665
abb变频器风机水泵型acs510-01-03a3-4 1.1kw 3.3a 一年质保
图片尺寸870x816
abb510变频器做恒压供水的接线方法与参数
图片尺寸1600x1280
abb变频器acs55001038a4矢量型185kwac380v三相含中文面板
图片尺寸900x1273
abb变频器接线图 恒压供水
图片尺寸628x510
abbacs80004系列变频器现场调试步骤
图片尺寸555x537
变频器启停的接线方法
图片尺寸694x427
abb标准传动变频器 acs580-01-09a5-4 输出电流9.4 电机功率4
图片尺寸1357x1920
普传变频器改为abb变频器工程案例分析
图片尺寸600x848
各种变频器接线图集
图片尺寸800x1133
abb变频器紧凑型 acs150-03e-02a4-4
图片尺寸743x528
abb acs880变频器zcu控制器问题
图片尺寸1187x615
abb变频器的手自动控制原理图
图片尺寸920x651
abb acs800变频器培训教程ppt
图片尺寸1080x810
变频器工作原理和接线图
图片尺寸526x556