ad转换电路图

ad转换电路
图片尺寸1080x940
ad转换电路设计
图片尺寸1001x340
求助51单片机做ad,da转换的程序设计思路
图片尺寸1186x681
单片机ad转换实验代码及电路图
图片尺寸512x384
ad转换原理与方案设计包含原理图pcb和bom表
图片尺寸871x490
单片机ad转换
图片尺寸928x631
ad转换
图片尺寸1080x1080
(十七)51单片机——ad/da转换_第7张图片
图片尺寸650x477
单片机小白学习之路(三十七)---ad转换
图片尺寸574x518
【mcuclub】模数转换adc0832-易微帮
图片尺寸337x229
有关双积分ad转换器proteus仿真原理图的问题请教附原理图
图片尺寸1068x759
第10章 ad转换器与da转换器应用 - 3
图片尺寸787x443
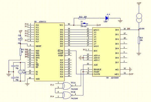
51单片机与adc0809应用做ad转换(电路图附程序)
图片尺寸954x803
模数转换器模拟前端电路
图片尺寸1381x907
模拟电路 运算放大器的电路图 ,ad转换的前置放大电路 信号调理电路
图片尺寸640x464
文档下载 所有分类 > ad转换实验报告ad 转换的电路原理如图3.
图片尺寸496x296
ad转换器
图片尺寸450x223
《转换部件到端口》-ad不同版本-视频教程
图片尺寸670x381
什么是双积分式adc(模数转换器)
图片尺寸647x376
集成温度传感器ad590经过ad0809模数转换,与单片机at89s51怎么连线
图片尺寸600x403