atmega2560电路图

atmega2560 pdf,atmega2560中文资料,atmega2560应用电路-华秋商城
图片尺寸788x636
arduino(mega2560)最小系统电路设计以及固件(bootloader)烧录方法
图片尺寸1661x845
arduino mega 2560 rev3 pinout, atmega2560 pin m.
图片尺寸1263x574
单片机主控模块由单片机atmega16l及其外围电路组成的最小系统构成.
图片尺寸1075x631
atmega48_88_168最小系统
图片尺寸3364x2522
atmega16开发板电路原理图
图片尺寸1249x893
小系统arduino的硬件连接参照下图就可以,芯片可以选用atmega328p-au
图片尺寸643x564
求一张主动pfc电源图纸
图片尺寸1983x1425
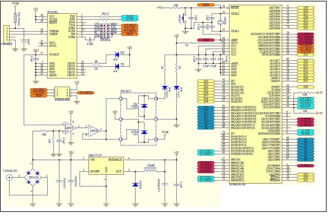
mcu board - easy atmega1280 (arduino mega) board
图片尺寸1145x758
atmega2560外部sram扩展键盘的应用设计
图片尺寸300x408
atmega2560引脚图与pdf资料手册下载
图片尺寸805x731
atmega16l最小系统原理图
图片尺寸800x566
atmega16最小系统板电路原理图
图片尺寸1192x788
主板详解之难点分析arduinomega2560使用手册
图片尺寸1329x946
ibm x61的cpu核心供电电路
图片尺寸1364x752
一键启动按键接线图
图片尺寸798x1075
arduino 2560开源电路原理图与芯片资料下载
图片尺寸919x585
用没有极性的吗?
图片尺寸421x256
同创atx200se3型开关电源ka7500b电路
图片尺寸2479x1509
四位数码管接线
图片尺寸1021x652