ats2500芯片电路图

电源常用电路—驱动电路详解_控制_芯片_电压
图片尺寸1080x646
原厂bcr5km-12l ic芯片集成电路 半导体bom配单
图片尺寸360x360
一种多节锂电池保护芯片电路制造技术
图片尺寸1000x555
wt7510是振荡控制器,它的作用和普通atx电源常见的电源pwm控制电路tl
图片尺寸943x761
6v锂电池1a充电板方案电路_芯片_电压_输出
图片尺寸1465x840
下图就是该芯片的参考电路图:下图就是该芯片的io引脚:充电芯片是cn
图片尺寸822x596
电磁炉ap8012电源芯片是否可以viper12a代换
图片尺寸796x395
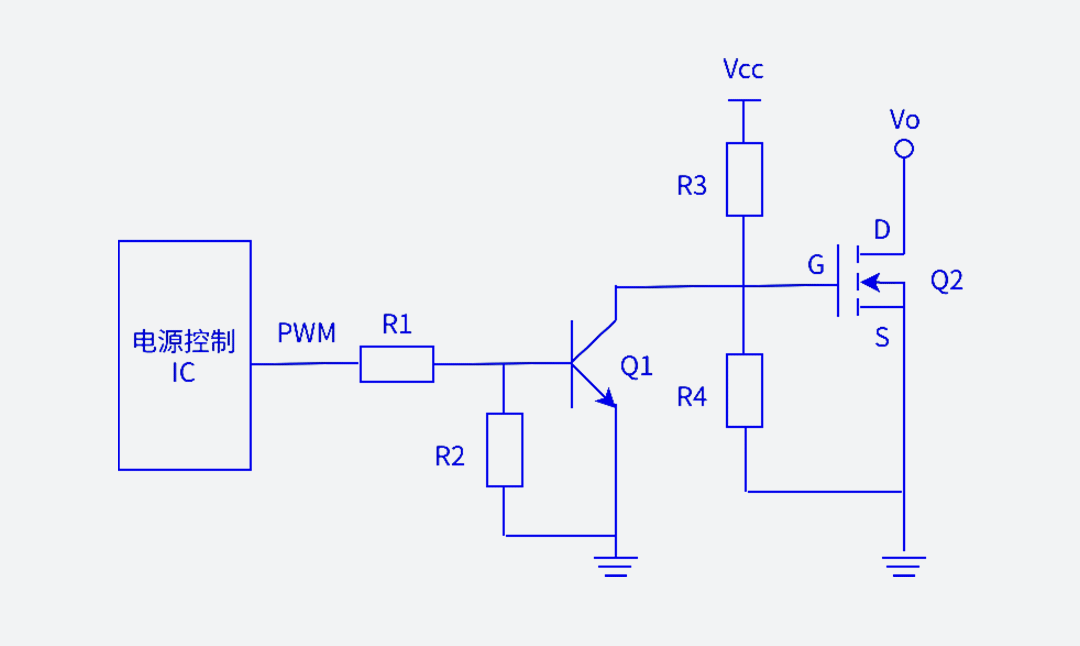
详解低侧栅极驱动器的应用指南_电阻_电路_芯片
图片尺寸618x347
800-2500a框架式开关转换柜-柴油发电机组.png
图片尺寸863x356
特chipsourcetekcst6116是sot236封装的单通道有刷直流马达驱动芯片
图片尺寸600x450
u pw3133a,特点:内置mos,电路简单,在pw3130的基础上再简洁了芯片
图片尺寸552x413
小刀电动车充电器故障检修及芯片代换疑问
图片尺寸2459x1998
lx6781升压升降压开关电源设计的专用dcdc控制器芯片
图片尺寸829x1108
数据中心ups电源系统割接实施方案
图片尺寸640x300
3440亿的国产集成电路大基金三期正式成立!芯片半导体能开始涨了吗
图片尺寸829x353
atx250sg6105电脑电源的电路原理图免费下载
图片尺寸1417x849
全新现货ds1302n实时时钟rtc封装dip8集成电路ic芯片
图片尺寸1000x1000
宏图伟业td1509pr降压dcdc电源管理ic芯片sop8集成电路ic
图片尺寸800x800
批量发放atx电源图纸
图片尺寸3256x2209
遥控发射器专用芯片很多,在本设计中我们运用了ht6221芯片来实现红外
图片尺寸554x401