b350电源线接法图解

电脑主板电源线各种接法
图片尺寸920x1302
电脑电源线接法图解 600x411 171kb png
图片尺寸600x411
【m4n68t_lev2华硕主板电源线怎么接】常见问题与解决办法-zol问答堂
图片尺寸500x307
参与团队:软件问题集合 展开全部 台式电脑开关电源线的安装方法如
图片尺寸450x285
主板电源线怎么接
图片尺寸380x472
我电脑硬盘分了四个区我现在想把它分为六个区了如何最快捷
图片尺寸1024x768
电脑电源灯一闪一闪是,主板跳线那个接错了
图片尺寸1099x652
如图,台式电脑电源的排线独立接到哪几部分?
图片尺寸537x607
映泰hi-fi a85s3e中powerled怎么接
图片尺寸1133x855
这几根线插在主板哪里啊
图片尺寸981x658
g41m-vs3主板插线怎么插跪求
图片尺寸587x632
主板电源线接法图解
图片尺寸480x278
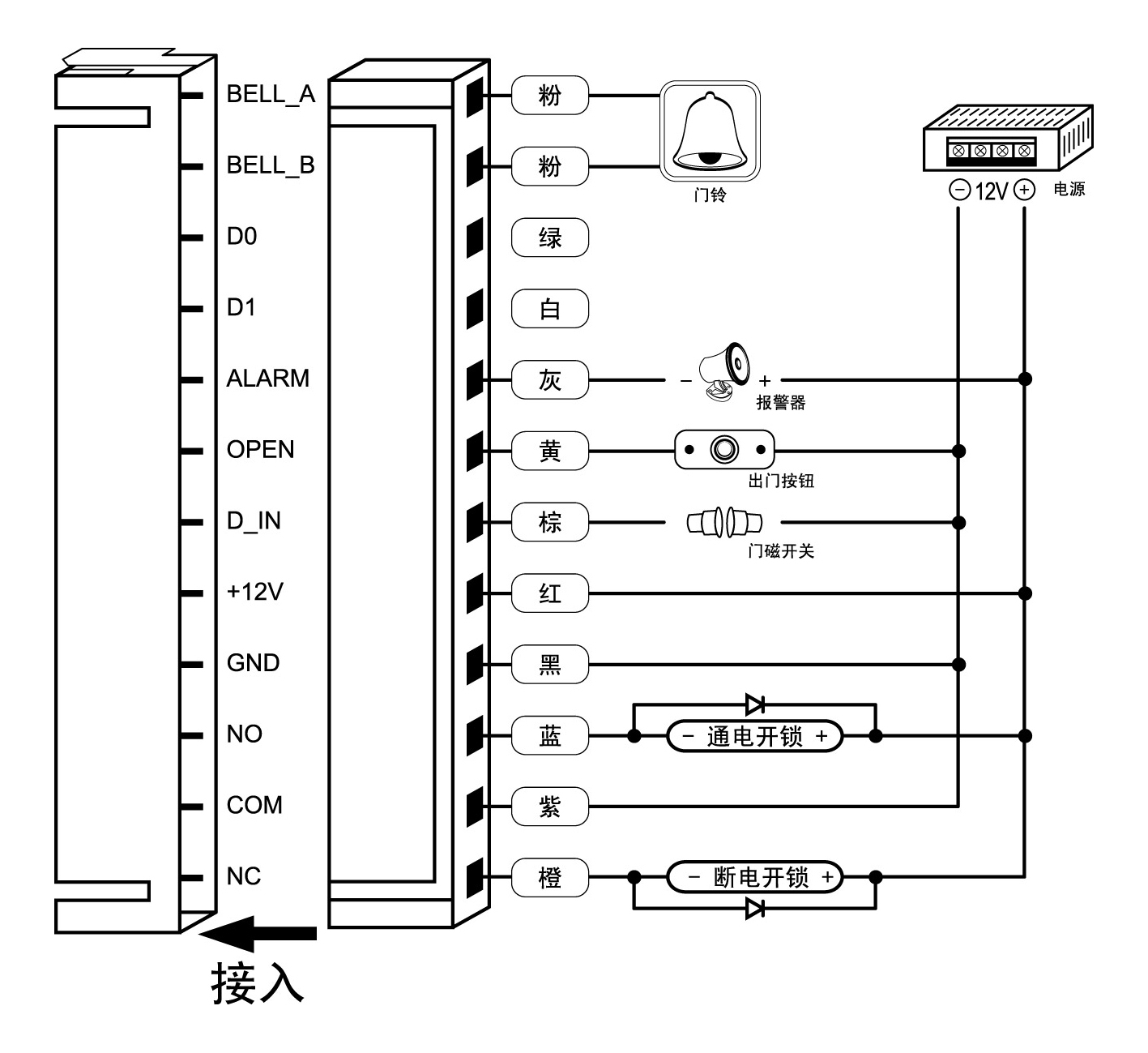
面板电源接线图
图片尺寸1417x1299
微星msib350tomahawk主板怎么插开机线
图片尺寸796x650
ups电源主机接线图实物接线样图一步到位
图片尺寸744x563
简单对比b350mb450mb550m
图片尺寸753x571
机箱电源线接线求问
图片尺寸450x427
映泰b85的主板的机箱电源线怎么接啊如图
图片尺寸679x494
技嘉主板ga—m52l—s3p电源线接法
图片尺寸1237x766
跳线短接主板上的jme插针
图片尺寸579x482