ba1320解码电路图

ba1320 pdf datasheet浏览和下载
图片尺寸827x1169
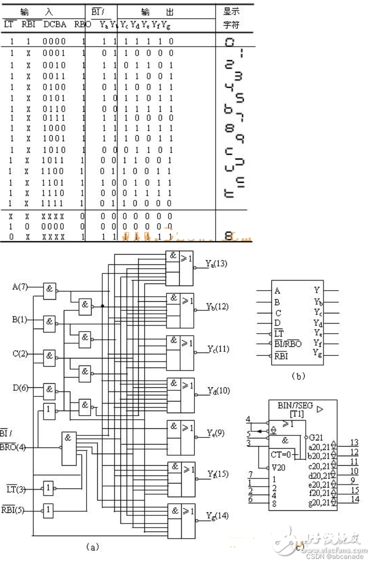
复用bcd解码器驱动电路
图片尺寸578x496
1杜比环绕功放组,sphe8281d-216pinb合解码板原理图
图片尺寸1180x888
自制mp3播放器电路原理图
图片尺寸1400x1000
自制电话机检修小仪器(3)-家用理疗电路图-电子产品世界
图片尺寸636x408
由图可知,由数字音频信号解码电路送来的数字音频信号( sdin1—sdin4)
图片尺寸1181x1086
ba1320
图片尺寸826x1169
电位器_电路
图片尺寸970x586
视频编解码电路
图片尺寸1604x1084
编码器解码器电路设计及multisim软件仿真
图片尺寸733x1114
无忧文档 所有分类 工程科技 电子/电路 同轴光纤解码cs8412-pmd100
图片尺寸1140x721
二.印板设计在印板的设计上,将输出模拟放大器放在数字电路的两边.
图片尺寸1010x563
解码_电路
图片尺寸996x958
应用于无线充电或射频识别系统的信号解码电路
图片尺寸1000x720
频分多路复用立体声解码器电路
图片尺寸1060x1090
手上有pcm56几片求电路图老芯片论坛上找不到了
图片尺寸768x439
编码器解码器电路设计以及multisim软件仿真
图片尺寸1374x814
十进制解码器电路
图片尺寸1028x452
解码及耳放电路图
图片尺寸800x604
求无线收发模块和pt2262/2272编解码芯片连接电路图 需要单片机控制吗
图片尺寸476x548