bcr2pm引脚参数

2sc332015a400vnpnsipowertransistorto3ppdf资料
图片尺寸898x1260
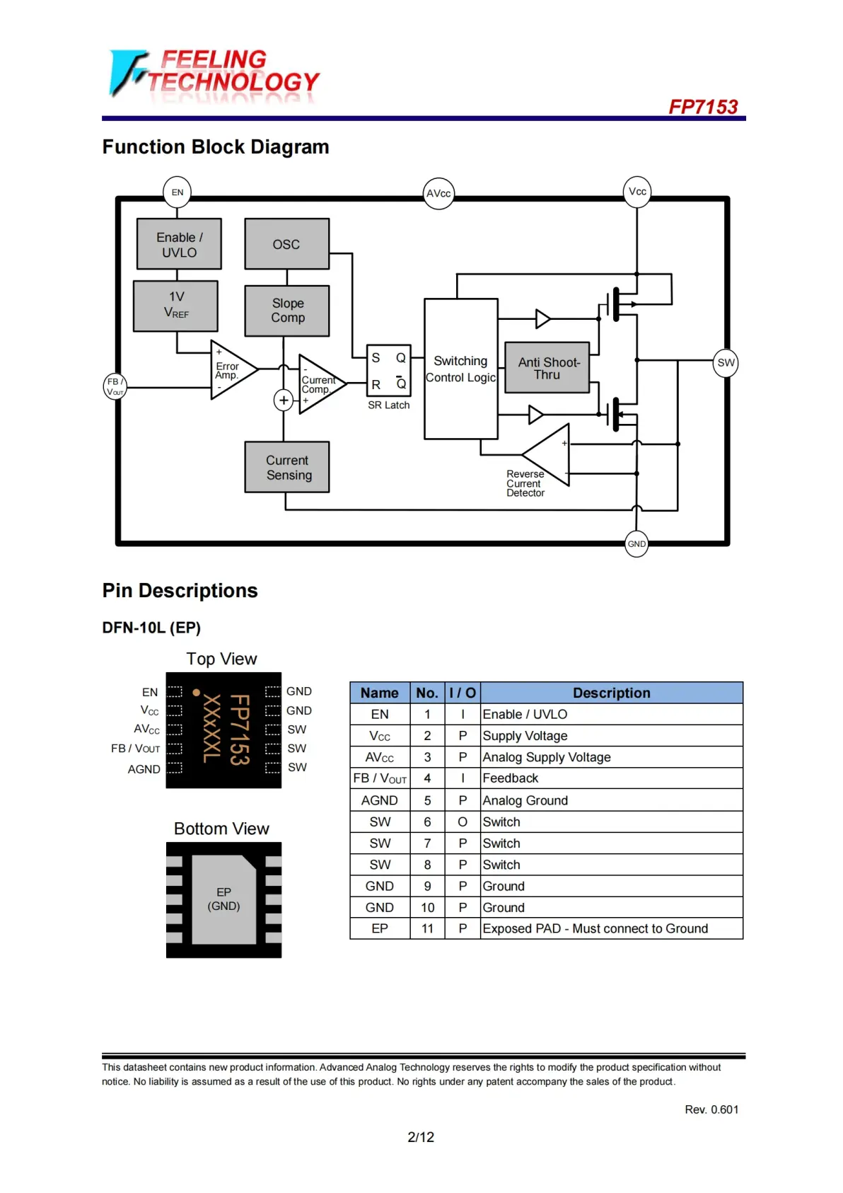
10l 节省pcb空间,远翔降压恒流l驱动芯片fp7153
图片尺寸1192x1686
ob2530p昂宝/on
图片尺寸1440x2038
水性环氧树脂
图片尺寸2000x1500
抗噪液晶屏驱动/抗干扰液晶驱动芯片/lcd显示驱动ic
图片尺寸816x781
恒凯微ic—sl5316 无感式升压, f类,5w音频功率放大器
图片尺寸1115x747
倾佳电子算力电源psu核心技术报告:无桥pfc与llc拓扑
图片尺寸1588x2245
图片尺寸1440x2038
图片尺寸790x1200
cl5012a充电电流12a充电电压可调两节锂电串联充电ic
图片尺寸1062x1244
1mm峰值脉冲功率耗散150w浪涌电流额定值3a引脚数目3最大反向漏电流50
图片尺寸2575x2575
抖音
图片尺寸1440x1920
文献解读identificationofdrivergenesforcriticalformsofc
图片尺寸3368x4125
2节锂电池的移动电源35w双向快充ic
图片尺寸1416x2788
关于stm32引脚重映射配置
图片尺寸2480x3508
恒凯微ic—sl5316 无感式升压, f类,5w音频功率放大器
图片尺寸1136x635
bcr2pm-12re#b00 pdf中文资料,bcr2pm-12re#b00引脚图,bcr2pm-12re#b
图片尺寸827x1169