bcr8pm可控硅参数

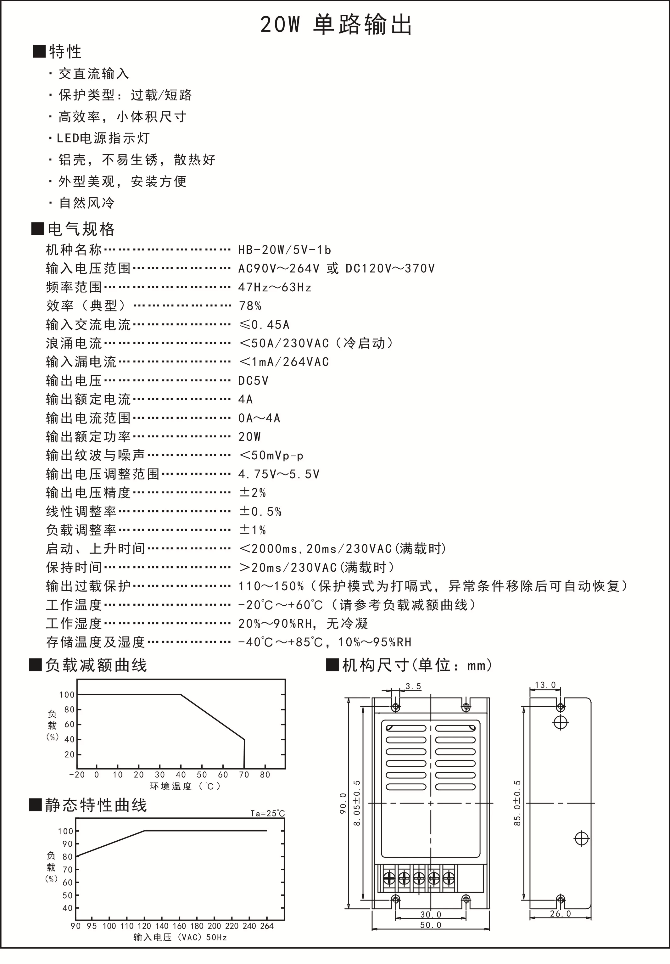
hb-20w5v产品详情.jpg
图片尺寸2130x3064
制品硅胶
图片尺寸576x623
pw5303 esop8封装 具有pwm/psm控制的电流模式升压dc-dc转换器ic
图片尺寸2457x2553
bg1参数1.png
图片尺寸1556x1666
bcr8pm洗衣机电脑板双向可控硅功率管8a600v bcr8pm-8l bcr8pm14l
图片尺寸342x485
bcr8pm-14l全新现货bcr8pm-14l 应用电路 pdf
图片尺寸362x264
5a发光二极管电源室内用于嵌入式灯
图片尺寸2246x3337
to-220 10pcs irf9630 irf9640 irf9z24 irf9z34n
图片尺寸1500x1500
wayon维安可控硅:电力控制的一部分
图片尺寸2345x1566
mitsubishi三菱 bcr8pm-12l 全新进口双向可控硅 8a600v 原装正品
图片尺寸800x800
铭源盛 全新原装 bcr8pm-14l bcr8pm 8a 700v to-220f 双向可控硅
图片尺寸3024x3024
bcr8pm-12l bcr8pm bcr8p 全新双向可控硅8a 600v to220f
图片尺寸800x800
产品推介——dip6 随机相位双向可控硅光耦kl305x
图片尺寸2688x2720
wayon维安可控硅:电力控制的一部分
图片尺寸2345x2295
可控硅 洗衣机电脑板 bcr8pm-12l bcr8km-12l 8a/600v 全新三极管
图片尺寸800x800
3.0smc400ca双向tvs瞬态抑制二极管3000w功率
图片尺寸847x1125
p0.9全倒装cob超微小间距led显示技术的优势
图片尺寸1658x1689
全新原装进口bcr8km-12l bcr8pm 大功率双向可控硅三极管质量保证
图片尺寸800x800
产品推介——dip6 随机相位双向可控硅光耦kl305x
图片尺寸2996x1956
原装进口拆机原字 bcr8pm-14l bcr8pm12l 双向可控硅控制板
图片尺寸1824x2436