boost升压电路原理图

【毕设】tft lcd数字boost升压电路 - 嘉立创eda开源硬件平台
图片尺寸795x293
article info
图片尺寸1783x744
学习笔记:简谈boost升压电路 - it610.com
图片尺寸650x324
boost升压电路原理,作用解析
图片尺寸530x339
boost升压电路--34063升压升不上去_boost电压升不上去-csdn博客
图片尺寸863x493
做一款大功率boost升压电源ic fp5207:15v升压60v 240w_电路_电压_输
图片尺寸1486x537
boost升压系统在逆变器中的重要作用_美世乐(广东)新能源科技有限公司
图片尺寸3543x1221
diy多快充协议太阳能充电器!----boost升压电路_booster mppt太阳能控
图片尺寸1022x551
学习分享:dcdc转换的升压电路—boost # boost升压电路主要利用了电
图片尺寸1708x1280
boost升压电路,要求输入5v,输出6v~12v,现设计电路图如下,但是经实验
图片尺寸764x388
boost电路知识详解
图片尺寸700x300
boost升压电路
图片尺寸924x406
【常见开关电源拓扑结构】学习笔记-csdn博客
图片尺寸662x295
boost变换器原理_文档下载
图片尺寸1281x689
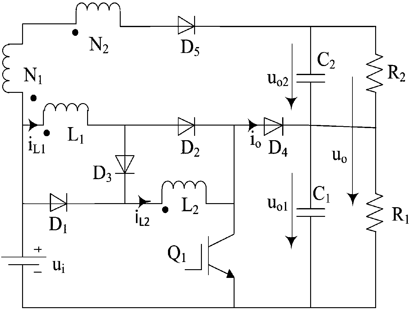
一种基于耦合电感的boost升压电路专利_专利查询 - 天眼查
图片尺寸1442x1022
boost升压电路 - 知乎
图片尺寸1326x744
buck-boost自动升降压8-36v内置mos降压dc-dc
图片尺寸1596x840
一种基于反激磁耦合的boost升压电路专利_专利查询 - 天眼查
图片尺寸1318x995
boost升压电路原理详解-电子发烧友网
图片尺寸857x759
自制升压电路(boost) - 知乎
图片尺寸350x286