booth乘法器电路图

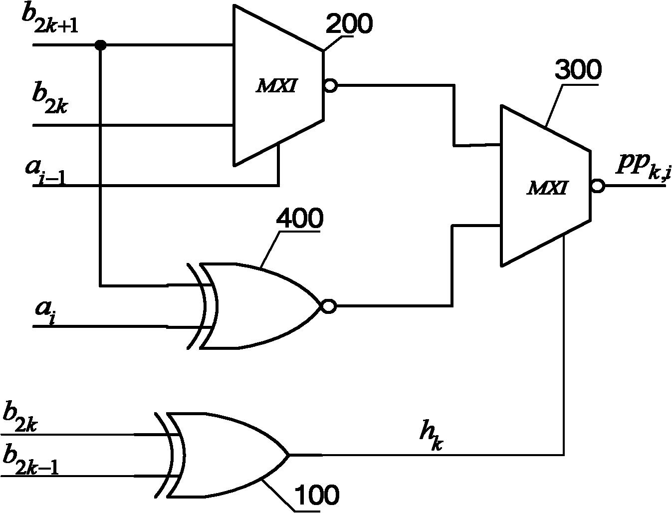
cn105739945a_一种基于改进部分积阵列的修正booth编码乘法器
图片尺寸1311x1401
乘法器对数运算电路应用
图片尺寸327x344
乘法器的实现阵列boothwallace
图片尺寸1024x536
由于booth乘法的推导过程较为复杂,而且也可以不了解其过程,所以下面
图片尺寸700x452
二进制数乘法电路
图片尺寸1042x663
乘法器电路设计方案汇总(五款模拟电路设计原理及仿真程序分享)
图片尺寸448x346
模拟电路基础笔记之模拟乘法器
图片尺寸850x542
一种booth乘法器及其运算方法
图片尺寸361x443
无忧文档 所有分类 工程科技 电子/电路 集成模拟乘法器
图片尺寸518x568
cn102184086a_一种booth编码器及乘法器失效
图片尺寸1347x1028
有负载驱动能力的乘法器
图片尺寸1696x890
模拟电路网络课件 第四十节:模拟乘法器
图片尺寸334x478
01%的模拟乘法器 - 模拟电路 - 21ic中国电子网
图片尺寸709x497
请教一个模拟乘法器后滤波电路问题
图片尺寸788x407
模拟乘法器作用及电路
图片尺寸637x486
如何用vca810实现模拟乘法器?
图片尺寸550x674
集成模拟乘法器及其应用习题选解答案
图片尺寸1151x814
测量高频pwm实时功率的乘法器电路
图片尺寸400x230
用模拟乘法器构成的调幅电路
图片尺寸935x401
高频四象限电流乘法器电路设计
图片尺寸453x420