c5112a电气原理图

一文助您成为行车电气维修高手
图片尺寸1065x668
电气原理图
图片尺寸1103x758
电气原理图
图片尺寸809x1175
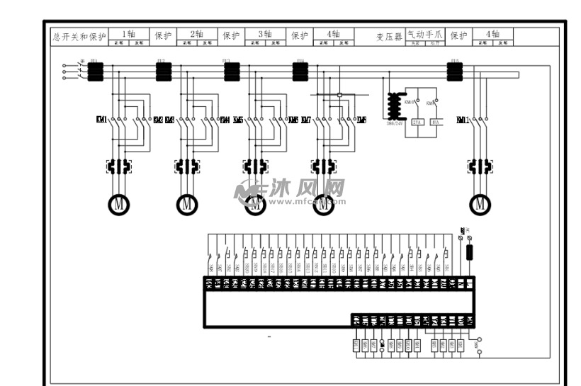
电气原理主电路.dwg
图片尺寸1200x800
3.1某机床电气控制系统电路图
图片尺寸1080x810
龙门吊电气控制接线图龙门吊电气控制原理图2022已更新今日图集
图片尺寸474x341
反渗透装置电气原理图
图片尺寸737x520
c5116a立式车床电气控制图
图片尺寸920x1302
电气原理图
图片尺寸820x545
氨泵电气控制原理图 消防泵控制柜原理图 真空泵电气原理图 消防泵
图片尺寸560x403
ld型单梁电气图
图片尺寸982x1032
电气控制电路图
图片尺寸1080x810
工厂单独用10kv供电柜原理图系统图- 电气工程图纸 - 沐风网
图片尺寸630x467
电气原理图
图片尺寸638x1165
冷库电气控制分解图(6页)
图片尺寸724x524
电气控制电路基础电气原理图送给电子好友
图片尺寸670x444
agv电气原理图pdf
图片尺寸1588x1123
机械厂变电所的电气设计
图片尺寸1200x800
中央空调冷冻系统电气系统图
图片尺寸770x547
带自动控制的电气设备控制原理图cad图纸
图片尺寸1440x1020