cad冷热水布置图

示意图,只是在最末端热水管顶端安装一个单向阀,将冷热水管连接在一起
图片尺寸1600x1280
冷热水管分开不要太近,为防止花洒装歪,两个出水口要齐平;打开水龙头
图片尺寸600x498
空调水系统管径的确定
图片尺寸546x545
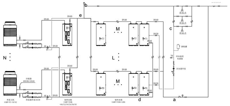
空气源热泵冷热水机组供暖,空调两用系统图及控制原理
图片尺寸995x671
如何保持爱的温度
图片尺寸640x440
2,冷热水压力同源,即水压稳定,舒适性更高.
图片尺寸800x370
控制原理图1,1外主机 2,2冷剂-水换热器 3,3冷热水循环系统一级泵4
图片尺寸905x573
精华给排水设计案例分析与实操以联排别墅为例
图片尺寸558x552
空气源热泵三联供一机解决地暖空调热水
图片尺寸794x464
大师傅对装修新人的30条忠告,别等装完再后悔
图片尺寸500x325
案例投稿┃采暖系统施工工艺十大难题之干式地暖施工中
图片尺寸1352x947
中央空调水系统按照冷热水供应方式,分为:两管制系统;三管制系统;四
图片尺寸554x217
平面图空调冷热水平面图通风空调平面图风管平剖面图加湿段接管平面图
图片尺寸760x450
补气增焓压缩机系统工作流程你知道吗
图片尺寸641x494
图:中央空调水系统部件部分图例:中央空调水系统按照冷热水供应方式
图片尺寸554x425
bim技术在暖通工程设计中,如何实现设计与施工中的精细化应用?
图片尺寸531x329
电气施工图怎么看这次全讲清楚了
图片尺寸643x402
冷热负荷的不均衡造成地埋管温度持续下降或上升而影响制热或制冷效果
图片尺寸593x381![[分享]风机盘管加新风系统说明资料下载](https://i.ecywang.com/upload/1/img0.baidu.com/it/u=2900149796,2865012830&fm=253&fmt=auto&app=138&f=JPEG?w=625&h=500)
[分享]风机盘管加新风系统说明资料下载
图片尺寸1600x1280
cad代画设计制图 施工图竣工图水电消防 yay_999
图片尺寸1269x883