cad工艺流程图

回用水工程流程节点图(cad)
图片尺寸760x571
免费领60万吨焦化脱硫工艺流程图,cad,高清可编辑
图片尺寸1080x721
20000吨铝材加工废水工艺流程图
图片尺寸760x542
分享环境工程cad工艺流程图资料下载
图片尺寸559x394
煤化工各工段的工艺流程图必看
图片尺寸579x331
收藏制药工艺流程图完整版
图片尺寸1920x1440
盛虹炼化装置流程图
图片尺寸672x453
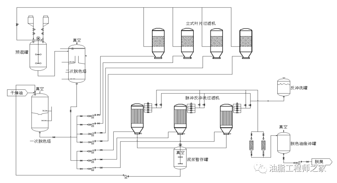
2 工艺流程及说明(7) 中和油和二次利用脱色剂,一次脱色后的油与新鲜
图片尺寸1080x586
某盐厂280吨反渗透工艺流程图
图片尺寸760x532
造纸中段水处理工艺流程图
图片尺寸546x389![[分享]垃圾厂工艺流程图资料下载](https://i.ecywang.com/upload/1/img2.baidu.com/it/u=1143886188,2228078209&fm=253&fmt=auto&app=138&f=JPEG?w=560&h=400)
[分享]垃圾厂工艺流程图资料下载
图片尺寸560x400![[分享]农村水厂工艺流程图资料下载](https://i.ecywang.com/upload/1/img2.baidu.com/it/u=328118795,958861466&fm=253&fmt=auto&app=138&f=JPEG?w=500&h=361)
[分享]农村水厂工艺流程图资料下载
图片尺寸560x404
啤酒生产工艺流程图模板
图片尺寸640x423
分享益生菌生产工艺流程图资料下载
图片尺寸560x418
江苏某印染废水处理改造工程工艺流程图
图片尺寸499x328
连这些都不知道,怎么敢说你懂化工工艺流程图!
图片尺寸640x445
分享a2o污水处理工艺流程资料下载
图片尺寸560x410![[分享]烧结烟气脱硫工艺流程图cad资料免费下载](https://i.ecywang.com/upload/1/img0.baidu.com/it/u=3553872370,1092902071&fm=253&fmt=auto&app=138&f=JPEG?w=500&h=434)
[分享]烧结烟气脱硫工艺流程图cad资料免费下载
图片尺寸560x486
分享a2o污水处理工艺流程资料下载
图片尺寸560x268
教你如何正确画工艺流程图
图片尺寸640x423