cad电力线路图

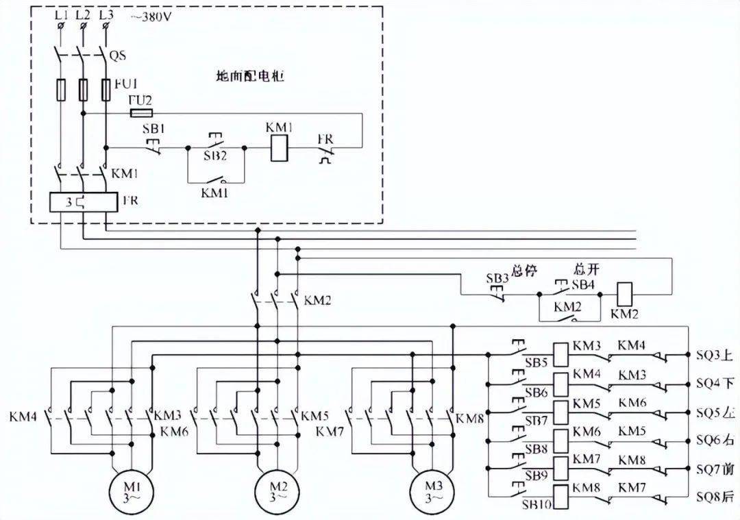
一文助您成为行车电气维修高手
图片尺寸1065x668
分享电力拖动控制线路cad图资料下载
图片尺寸398x401
电力系统图大全
图片尺寸604x457
end 本文由电力合伙人精选,整理发布. 返回搜 责任编辑
图片尺寸640x624![[分享]供电系统图cad资料下载](https://i.ecywang.com/upload/1/img0.baidu.com/it/u=1274687575,1075337379&fm=253&fmt=auto&app=138&f=JPEG?w=622&h=466)
[分享]供电系统图cad资料下载
图片尺寸622x466
cad版!110kv变电站整套设计图纸合集打包下载_资料_电力_星球
图片尺寸700x459
常用电气控制设计图42张(全套cad图集)
图片尺寸560x448
图解35kv变电站高压开关设备控制线路
图片尺寸640x708
工厂供电技术
图片尺寸640x448
如图四,国家电网的网络接线图,都是通过图三的高压及超高压输电线路
图片尺寸795x516
建筑电气经典解析ppt电动汽车快充新建工程电气施工图cad
图片尺寸503x449![[分享]送电电力系统资料下载](https://i.ecywang.com/upload/1/img0.baidu.com/it/u=1146938335,2802324120&fm=253&fmt=auto&app=138&f=JPEG?w=500&h=625)
[分享]送电电力系统资料下载
图片尺寸760x950
关键词: 电力工程施工图照明控制原理图
图片尺寸560x332
分享铁路cad列车资料下载
图片尺寸600x450
多种电动机拖动设备控制线路图_起动_版权_电力
图片尺寸540x364
分享cad网络综合布线图资料下载
图片尺寸560x368
2立即下载电力工程10kv配电线路图集cad版立即下载等级:文件 6mb
图片尺寸333x553![[分享]柜机空调cad资料下载](https://i.ecywang.com/upload/1/img1.baidu.com/it/u=3386858257,2740902064&fm=253&fmt=auto&app=138&f=JPEG?w=644&h=474)
[分享]柜机空调cad资料下载
图片尺寸644x474
对于电力作业人员而言,看懂电路图是基本的技能,熟练的掌握常见的基础
图片尺寸549x408
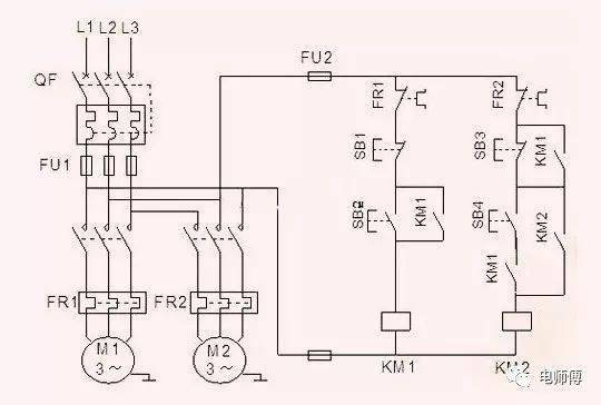
按钮_继电器_反转
图片尺寸1080x759