cad电气接线图

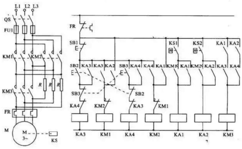
吐血整理75张各类电气控制接线图请收藏
图片尺寸640x457
二次回路图cad资料下载-电气二次回路看图口诀,这个你得记住!
图片尺寸1080x719
电气施工图设计常见八大问题与解答:一次搞定400v-6kv-10kv-35kv-66kv
图片尺寸570x742
「电气系统图cad图纸」强电 弱电 消防 智能化 配电箱 照明70套
图片尺寸1103x791
「电气系统图cad图纸」强电 弱电 消防 智能化 配电箱 照明70套
图片尺寸1186x842
燃煤锅炉电气控制原理图
图片尺寸507x657
ibe如何快速入门cad并绘制漂亮的电气图
图片尺寸600x495
35kv变电站电气二次系统控制原理图
图片尺寸560x476
分享电厂电气主接线资料下载
图片尺寸760x543
某医院排污泵控制柜电气原理图
图片尺寸560x380
分享水闸电气主接线图资料下载
图片尺寸760x482
这些动控制原理图老电气工程师都收藏了
图片尺寸781x482
建筑电气设计丨配电箱的bas楼宇自动化系统接口
图片尺寸600x496
电气照明平面图如何确定导线根数
图片尺寸649x412
常用电气控制设计图42张(全套cad图集)
图片尺寸560x448
如何完成变电站电气一次设计主接线图如何设计
图片尺寸640x480
电气施工图设计常见八大问题与解答:一次搞定400v-6kv-10kv-35kv-66kv
图片尺寸876x633
宿舍与餐厅电气设计施工图
图片尺寸760x536
接触器的使用方法和接线图
图片尺寸612x453
300电气控制电路图控制电路实物接线终于找全了
图片尺寸569x844