cd型电动葫芦装配图

20t豫正重工钢丝绳电动葫芦cd型单速电动葫芦md型双速电动葫芦
图片尺寸1600x1280
cdi型钢丝绳电动葫芦
图片尺寸490x580
急求cd1型钢丝绳电动葫芦cad装配图 可购买 如图所示
图片尺寸1147x809
阐述cd型电动葫芦和md型电动葫芦的工作原理
图片尺寸619x321
cd1型电动葫芦2t.jpg
图片尺寸1600x1165
电动葫芦cd0.5吨全套图纸
图片尺寸730x519
阐述cd型电动葫芦和md型电动葫芦的工作原理_手机搜狐网
图片尺寸575x410
电动葫芦cd0.5吨全套图纸
图片尺寸730x524
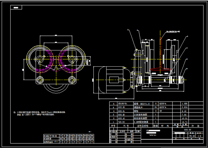
电动葫芦cd0.5吨全套图纸
图片尺寸730x520
cdsmds型冶金用电动葫芦
图片尺寸1556x873
cd型500kg6mcdⅠmd1型05吨电动葫芦dwg
图片尺寸510x348
cd1型钢丝绳电动葫芦
图片尺寸743x546
供应cd型16t9m钢丝绳电动葫芦江苏三马牌
图片尺寸500x583
cdcd1/md1型钢丝绳电动葫芦
图片尺寸759x1074
批发新疆1吨2吨单速cd1钢丝绳电动葫芦东特厂家
图片尺寸750x611
cdⅠ(md1)型1吨电动葫芦装配图
图片尺寸626x470
cd,md型单双速 0.5t/1t/2t/3t/5t 钢丝绳电动葫芦 河南矿山
图片尺寸1096x1920
cdⅠ型5吨电动葫芦减速器装配图
图片尺寸532x443
3吨电动葫芦装配图
图片尺寸1329x946
河南巨人 cd15t/6m钢丝绳电动葫芦
图片尺寸741x553