cd4007引脚图及功能

cd4007中文资料汇总cd4007引脚图及功能特性及应用电路
图片尺寸478x365
cd4007中文资料汇总cd4007引脚图及功能特性及应用电路
图片尺寸694x254
cd4047芯片功能
图片尺寸681x703
cd4007c
图片尺寸798x636
cd4007aex cd4007cn mm5607an 双互补对加逆变器 进口14直插脚dip
图片尺寸800x800
4000系列数字电路,4066等四双向模拟开亲
图片尺寸1520x1082
cd4066引脚功能图
图片尺寸893x404
五一电子商品说明:《cd4027 》
图片尺寸369x250
4000系列数字电路,4040等12位二进制串行计数器/分频器
图片尺寸1621x1820
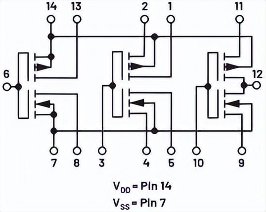
cd4007内部结构
图片尺寸501x385
4017芯片引脚功能剖析
图片尺寸1301x1841
cd4007 cmos晶体管阵列引脚排列从一个cd4007封装可以构建多达三个
图片尺寸538x428
译码
图片尺寸1446x1542
所有分类 it/计算机 计算机软件及应用 常用芯片引脚图ppt cd4017顺序
图片尺寸1080x810
4000系列数字电路,4511,bcd-锁存/七段译码/驱动器
图片尺寸1573x3236
> scl4082bc 4000/14000/40000 series, dual 4-i
图片尺寸861x1183
0常用cd4000系列标准数字电路及其框图_cd4009引脚图及功能-csdn博客
图片尺寸513x394
数字电路cd4017的原理及应用电路
图片尺寸920x1302
4000系列数字电路4027双jk主从触发器带置位和复位端
图片尺寸1501x1653
74ls191等可预置4位二进制同步可逆计数器(带方式控制)
图片尺寸1172x986