cd40106应用电路图

cd40106的介绍
图片尺寸589x621
cd40106中文资料cd40106引脚功能及使用注意事项
图片尺寸557x362
cd40106应用电路
图片尺寸671x541
6v直流马达转速控制电路cd40106
图片尺寸460x550
基于cd40106和cd4013的场效应管隔离驱动电路设计
图片尺寸655x309
用cd4046组成的100倍频电路
图片尺寸824x743
cd40106中文资料引脚图及功能应用电路图
图片尺寸362x280
cd4046锁相环在感应加热电源中的应用
图片尺寸939x885
触发器/3111144" data-lemmaid="3111144">施密特触发器 /a>电路组成
图片尺寸1500x1706
如图所示的电路可以用来产生以地电位为基准且有固定幅度的三角波,其
图片尺寸1474x620
cd40106典型应用电路cd40106的性能参数及应用电路
图片尺寸818x359
cd4046应用电路图大全金属探测仪频率计充电器信号发生器
图片尺寸740x560
用cd4046组成的三角波发生器电路图
图片尺寸1269x1377
【设计心得】如何采用cd4046实现倍频电路设计
图片尺寸837x464
锁相环 cd4046 应用介绍
图片尺寸326x377
cd4046应用电路图大全金属探测仪频率计充电器信号发生器
图片尺寸816x537
cd4011cd4066音乐盒电路原理图pcb分享
图片尺寸806x518
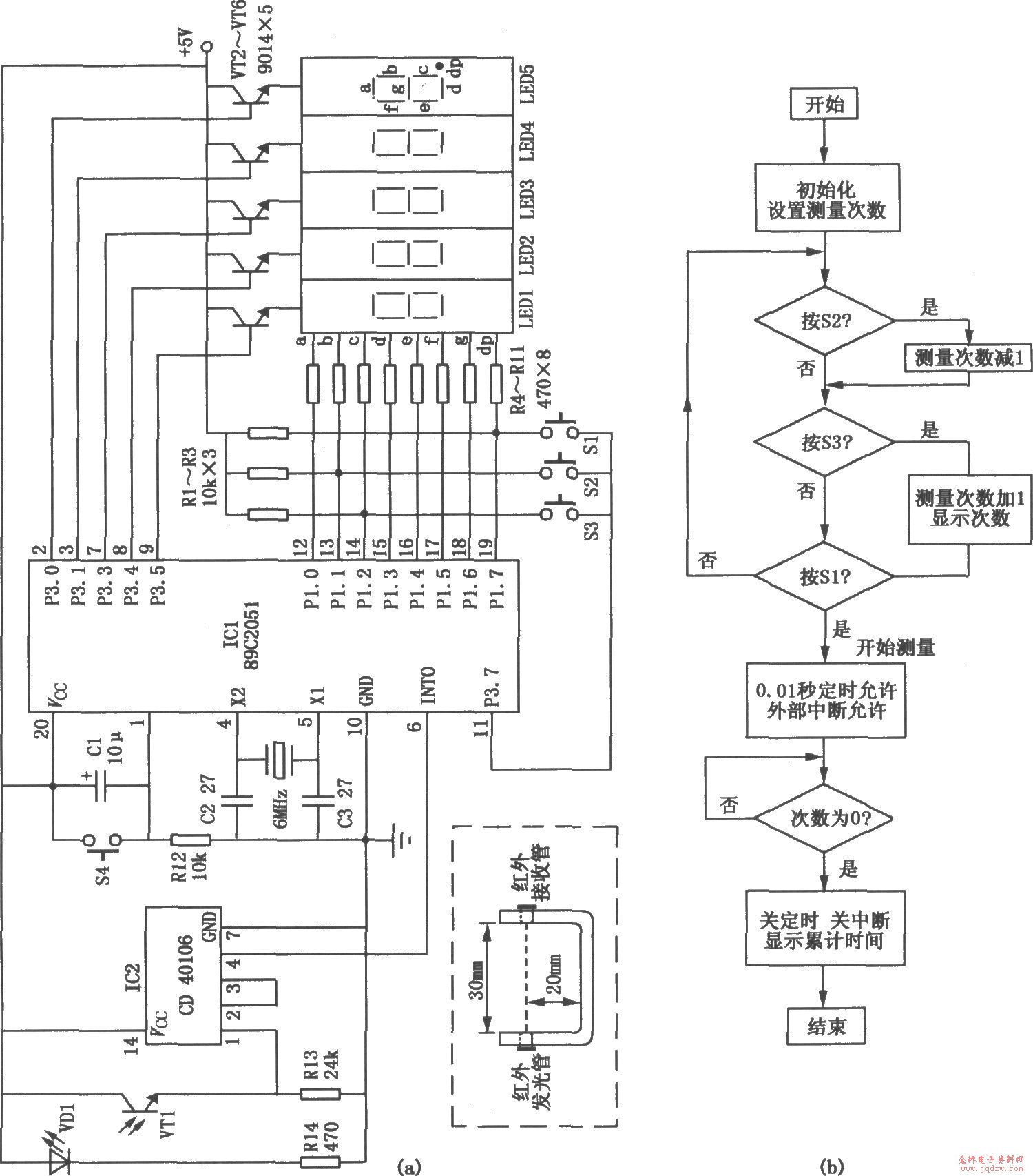
具有加减功能的绕线机电子计数器cd40110cd40106
图片尺寸1725x577
cd4046构成的金属探测仪电路
图片尺寸538x362
注:为了提高网速,图片可能被压缩! 图片仅供参考!
图片尺寸380x219