cd4046引脚图

cd4046管脚图引脚图
图片尺寸517x654
无忧文档 所有分类 工程科技 电子/电路 cd4046bc中
图片尺寸623x466
cd4046引脚图及功能介绍
图片尺寸612x485
cd4046引脚功能.doc
图片尺寸792x1120
【产品】cd4046低功耗数字锁相环电路,3v~14v的供电
图片尺寸419x264
cd4046的引脚图真值表及应用
图片尺寸407x373
cd4046
图片尺寸720x560
cd4046引脚功能介绍pdf中文资料
图片尺寸261x144
【设计心得】如何采用cd4046实现倍频电路设计
图片尺寸837x464
摇杆芯片
图片尺寸429x483
4049ubc datasheet pdf - fairchild semiconductor
图片尺寸227x425
cd4046中3和4引脚中间是÷n,那3引脚接的是基准信号频率的话,4引脚压
图片尺寸577x579
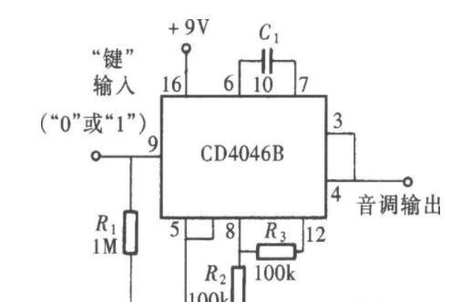
原标题:用cd4046组成的方波信号发生器 用cd4046
图片尺寸495x382
供应开关电源cd4066cd4066原装现货热卖
图片尺寸333x329
锁相环cd4046应用介绍
图片尺寸269x271
单片机教程网 常用芯片 >> 浏览文章cd4046是通用的
图片尺寸568x653
集成锁相环应用实验ppt
图片尺寸1080x810
cd4066引脚功能图
图片尺寸893x404
高手指教cd4046倍频电路问题
图片尺寸1037x402
4000系列数字电路,4040等12位二进制串行计数器/分频器
图片尺寸1621x1820