chd29366电源电路图

如何设计一个直流电源电路?
图片尺寸851x592
精通维修
图片尺寸1768x895
长虹chd系列数字高清晰大屏幕彩电开关电源电路
图片尺寸1350x2488
chd29158电源strf6656块各脚电压是多
图片尺寸544x960
电源电路
图片尺寸2427x1282
max2362 cdma pcs手机电路max2364应用于双模蜂窝系统的电路
图片尺寸2113x1708
开关电源 失效分析 版主,消灭0回复啊
图片尺寸1031x731
电源电路
图片尺寸2362x1685
图片尺寸824x435
非隔离式电源的共模电流
图片尺寸3269x1938
液晶显示器常用开关电源管理芯片介绍及维修
图片尺寸2812x1638
松下tc-29v30h大屁股电视机rcc自激电源电路图,日本工程师的分立元件
图片尺寸2064x3780
我设计的双路数控电源的电路部份,有一些部份不明
图片尺寸2718x1788
开关电源工作原理抗干抗电路
图片尺寸1280x2424
tx4221是一款高性能的dc
图片尺寸1256x891
本电源sdc4569应用图.png
图片尺寸1379x732
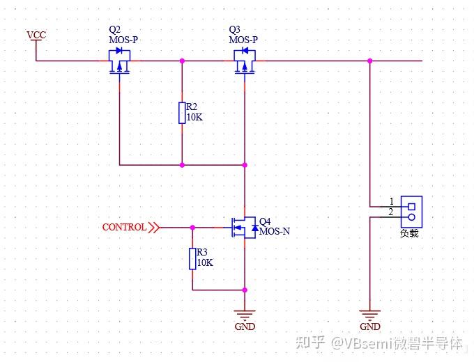
请问pmos可以做电源防倒灌吗
图片尺寸680x520
电源过流保护电路:细节解析与注意事项
图片尺寸700x517
18836节锂电池的100w移动电源双向快充socm12266h深圳市永阜康科技
图片尺寸1388x2734
长虹chd7高清机芯开关电源
图片尺寸3435x2442