creo绘制工程图

proe/creo10草绘基础练习
图片尺寸3508x2480
creo11.0草绘第十五课:草绘.综合练习二
图片尺寸1638x1080
103张proe/creo三维软件练习图纸,照着练吧,慢慢练到加工资
图片尺寸640x536
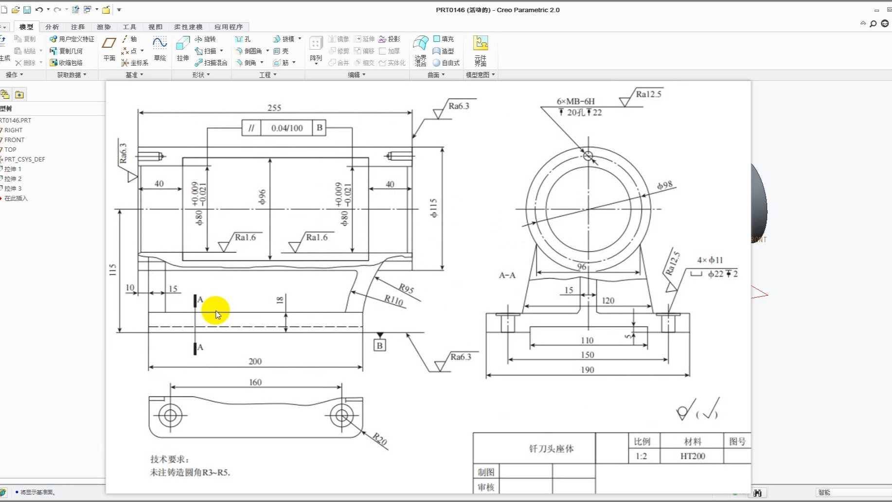
creo/proe工程图转cad,结构设计,产品设计,creo教程,proe教程,creo
图片尺寸1080x810
1,用creo软件绘制组合体3d-03(讲解视频在设计建模经典案例库) img
图片尺寸890x921
creo曲面第七集
图片尺寸1712x970
preo-creo机械建模实战课程
图片尺寸1920x1357
creo软件建模基础180例-41
图片尺寸1834x1032
103张proe/creo三维软件练习图纸,照着练吧,慢慢练到加工资
图片尺寸640x440
proe/creo经典练习图【共55例】
图片尺寸670x536
103张proe/creo三维软件练习图纸,照着练吧,慢慢练到加工资
图片尺寸640x562
103张proe/creo三维软件练习图纸,照着练吧,慢慢练到加工资
图片尺寸519x525
103张proe/creo三维软件练习图纸,照着练吧,慢慢练到加工资
图片尺寸640x477
creo工程图螺纹孔局部剖视
图片尺寸1371x705
creo工程图.
图片尺寸1061x663
creo基础教程27—草绘案例6
图片尺寸1154x721
夹板固定时骨折线最好位于夹板
图片尺寸1676x1077
preo-creo机械建模实战课程
图片尺寸675x721
creo-练习题
图片尺寸1459x675
creo入门怎么学?
图片尺寸1280x718