crh380a转向架结构图

转向架
图片尺寸2000x1313
crh动车组转向架转向架总体学习课程
图片尺寸920x518
crh动车组转向架
图片尺寸920x1302
浅析转向架落成调整工艺
图片尺寸700x641
高速轨道交通转向架「专利奖巡礼」
图片尺寸1080x791
crh动车组转向架-_转向架总体
图片尺寸1080x810
crh动车组转向架-_转向架总体ppt
图片尺寸1080x810
crh动车组转向架-_转向架总体ppt
图片尺寸1080x810
crh380动车组动力转向架图纸
图片尺寸3058x2190
动车组的构成转向架
图片尺寸920x690
crh380a动力转向架及其构架cr400af样车转向架380a抗侧滚扭杆(标动同)
图片尺寸1468x1932
转向架
图片尺寸860x548
地铁车辆转向架结构比动车组转向架相对简单,是轨道交通车辆的重要
图片尺寸1280x1338
动力转向架
图片尺寸636x395
火车的转向架具体结构是怎么样的
图片尺寸2499x1284
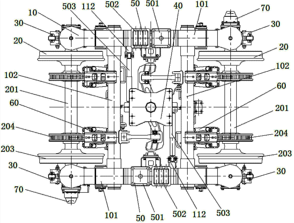
一种铁路货车转向架
图片尺寸1000x758
crh380动车组动力转向架图纸
图片尺寸840x594
crh动车组转向架
图片尺寸920x1302
火车的转向架具体结构是怎么样的
图片尺寸2851x1539
crh转向架资料.ppt
图片尺寸1152x864