crh3c平面图

crh3动车组介绍(5)
图片尺寸1080x810
crh420a-1001 crh200-j-2001 crh2se-2007 crh7a-1001
图片尺寸1920x1080
crh3 crh380动车组平面布置图ppt
图片尺寸1786x1263
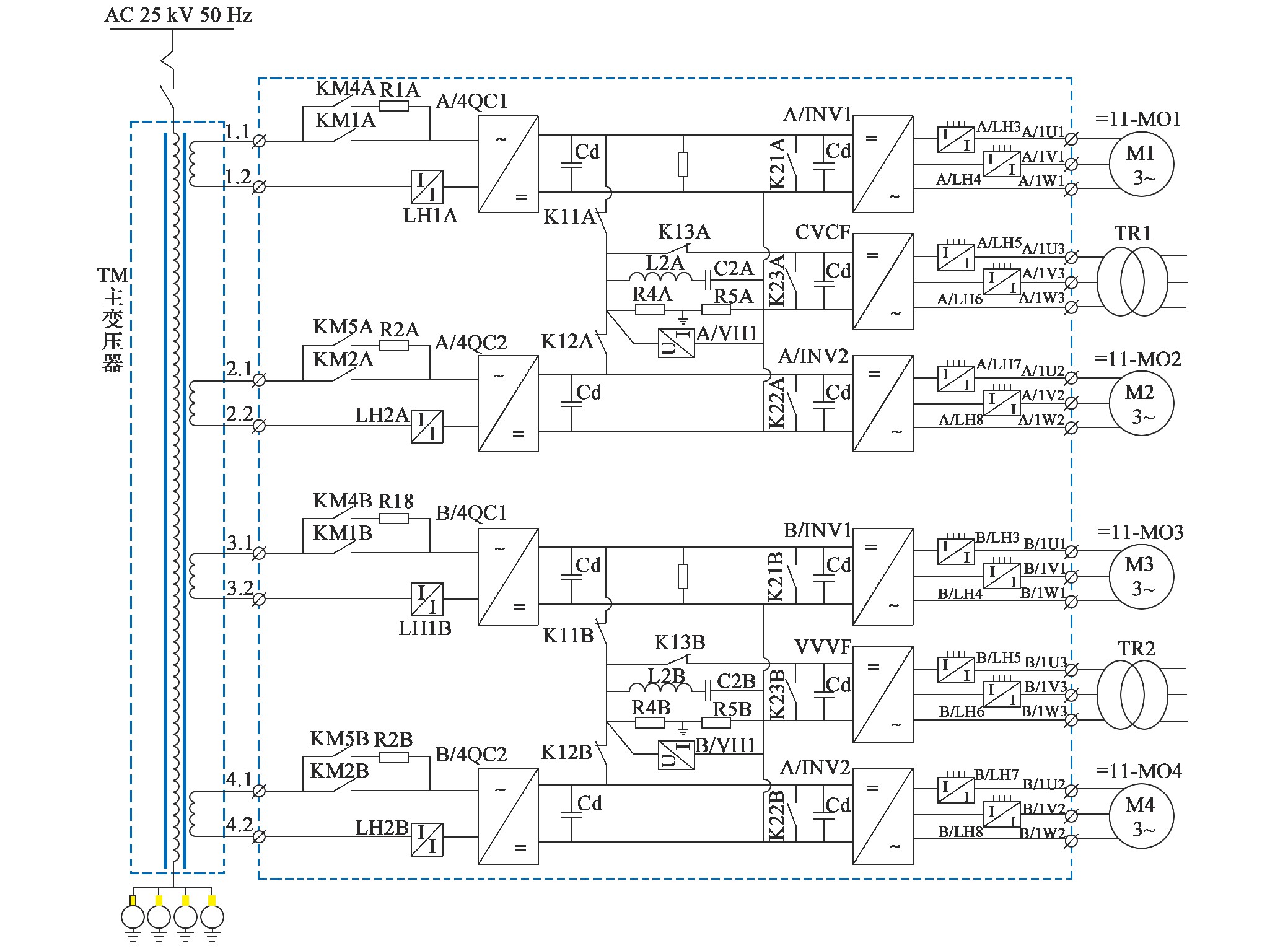
crh3动车组车体结构简介
图片尺寸920x690
不是!是crh3c
图片尺寸3168x1980
和谐号动车组crh1型车cad外形总图.zip
图片尺寸2338x1653
【4k】【云拍车】 crh3c 310km/h 第17期
图片尺寸1654x930
crh3c型动车组介绍
图片尺寸768x480
西门子通勤与区域列车平台-mireo电动车组
图片尺寸517x2140
【中国铁路】g1337次crh3c-3037出诸暨站(西门子igbt-vvvf)
图片尺寸3144x1967
和谐号crh380b重联出站 和谐号crh380b,由crh3c改进而来,属于crh380
图片尺寸2274x1280
cr200j型复兴号动车组
图片尺寸2079x1535
【中国铁路】crh3c型动车组运行中
图片尺寸1728x1080
yxdown.com
图片尺寸1396x966
trainsimulator2018ep44crh3cd6871次
图片尺寸1728x1080
crh1牵引系统-主变压器ppt
图片尺寸1080x810
ho比例火车模型开箱解说视频~百万城的crh3c和谐号高铁动车组模型
图片尺寸964x602
【minecraft】 "兔子" crh3c 和谐号 电力动车组 建造教程 (1.5:1)
图片尺寸1746x1057
【mtr模组】云拍车-crh3c
图片尺寸972x607
7,g5881(常德-长沙)本务广铁长沙段crh3c-3025进益阳南站(可见益阳南
图片尺寸3168x1978