cxa1081引脚参数

与非门cc4011 四2输入与非门的型号是cc4011,其引脚功能表请看下图,其
图片尺寸414x280
声光控触摸开关ppt
图片尺寸1080x810
3 mcs-51单片机的引脚功能 单片机的引脚功能 p1.0 p1.1 p1.2 p1.
图片尺寸1080x810
机的原理电路如图15-1所示,电路图中部的集成电路cxa1191是电路的核心
图片尺寸1514x530
cxa1191是一片28引脚的集成电路
图片尺寸1759x1113
9018电子城-网购电子元件|电子制作套件|功放板|对讲
图片尺寸300x300
请问大佬们知道怎么设置单片机stc8g1k0820pin的多路内部adc运用
图片尺寸1177x355
cxa1081m集成电路的引脚功能及数据
图片尺寸600x580
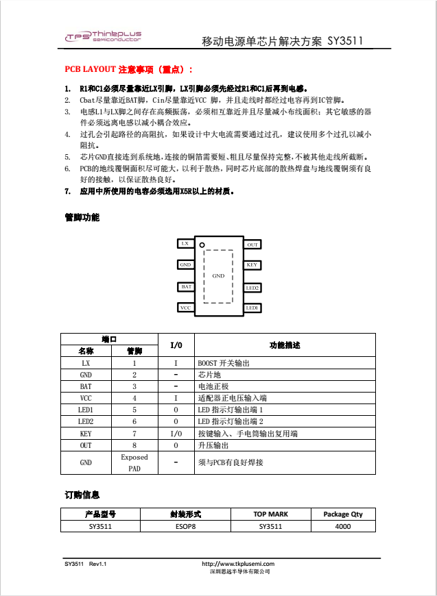
sy3511dsop8输入5v充电1a线性充电同步升压放电移动电源芯片
图片尺寸637x870
9018电子城-网购电子元件|电子制作套件|功放板|对讲
图片尺寸158x158
cxa1619s (sony) pdf技术资料下载 cxa1619s 供应信息 ic datasheet
图片尺寸832x1167
tc8301a芯片 原装现货 稳定供应
图片尺寸991x1121
9018电子城-网购电子元件|电子制作套件|功放板|对讲
图片尺寸300x300
接收芯片cxa1019s
图片尺寸800x1132
9018电子城-网购电子元件|电子制作套件|功放板|对讲
图片尺寸370x300
cd4011电气参数word版
图片尺寸920x1302
测量atmega8单片机io口的输入输出内阻
图片尺寸880x689
基于8031单片机数据采集及转换系统的设计
图片尺寸1064x779
c8051f330
图片尺寸1404x757
50欧洲rifa力发 peg124 进口 轴向引脚 发烧电解电容(10uf/350v)全新
图片尺寸158x158