d触发器原理图

4.同步d触发器解析
图片尺寸1428x819
d触发器逻辑电路及符号
图片尺寸816x305
灵敏放大型d触发器
图片尺寸1219x1613
一种低功耗灵敏放大器型d触发器制造技术
图片尺寸1000x470
d型触发器及其信号传输方法与流程
图片尺寸1000x510
基础组合逻辑电路之边沿触发的d触发器
图片尺寸385x332
d触发器的简单介绍
图片尺寸624x499
一种基于阻类存储器的d触发器电路及寄存器
图片尺寸1000x464
d触发器电路图
图片尺寸500x297
一种单相时钟双边沿d触发器的制作方法
图片尺寸1000x757
d触发器(74ls74)这样接实现什么功能?
图片尺寸665x471
d触发器q端的输出波形数字电路d触发器
图片尺寸618x288
cmos边沿d触发器电路原理图
图片尺寸740x413
一种利用碳纳米场效应晶体管的三值脉冲型d触发器
图片尺寸714x894
用jk触发器实现d触发器的功能,下列电路正确的是 .
图片尺寸422x223
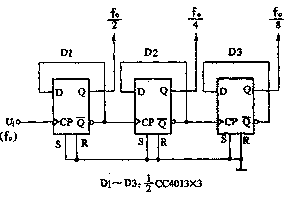
用d型触发器构成的三级分频电路
图片尺寸574x394
电平触发的d触发器.
图片尺寸1080x810
讲的很好的d触发器
图片尺寸602x341
d触发器门电路图 - csdn
图片尺寸448x254
灵敏放大型d触发器的制作方法
图片尺寸1000x366