dali调光原理图

dali调光
图片尺寸640x343
pwm调光 线性调光 0-10v调光 dali调光无频闪方案原理图
图片尺寸964x512
建筑智能照明下dali数字调光与dmx512调光
图片尺寸1080x613
当前最先进的调光方式是什么呢dali智能调光的led驱动方案概述
图片尺寸1080x562
dali调光电源接线演示图
图片尺寸750x454
12 v 30 w 2 类 dali 可调光 led 驱动器
图片尺寸1000x1486
欧切斯dali调光控制系统图
图片尺寸750x872
莱分享简单4步学会dali系统接线
图片尺寸1080x467
dali通信协议及地址分配原理
图片尺寸1240x530
dali调光系统通讯距离有多少
图片尺寸1024x527
dali调光电源 240w 恒压led驱动电源
图片尺寸800x341
莱分享简单4步学会dali系统接线
图片尺寸1080x531
基于dali协议数字调光照明系统应用方案介绍
图片尺寸962x599
满足工业智能化调光需求的智能照明解决方案
图片尺寸466x400
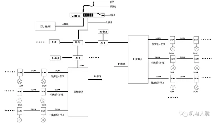
基于无线传感技术的dali智能灯光控制系统
图片尺寸1000x517
工厂批发dali调光电源50wled面板灯内置24v恒压dali调光驱动电源
图片尺寸750x604
一种基于蓝牙无线通讯的dali调光高压led灯条的制作方法
图片尺寸1000x270
dali总线主要用于多个荧光灯以及led照明的调光控制.
图片尺寸593x600
led调光电路的制作方法
图片尺寸1000x556
dali智能调光模块 智能照明系统 厂家
图片尺寸1535x780