dc母座接口定义

dc头 引脚定义_john_baidu的博客-csdn博客_dc接口引脚
图片尺寸751x716
金属dc插座圆形三脚 迷你dc插口3脚圆形 迷你dc母座圆形针脚3脚
图片尺寸1139x789
1mm/dc头母座
图片尺寸751x365
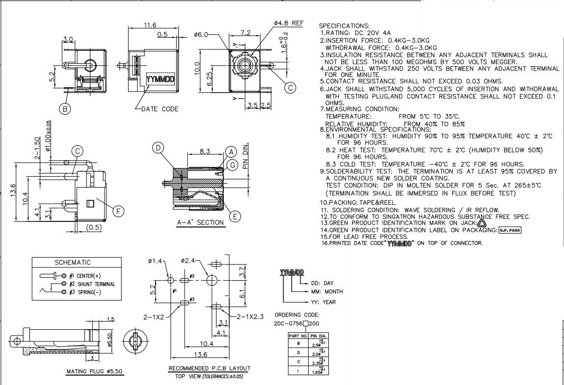
手机_接口_电压
图片尺寸2828x1584
dc电源插头插座005002025022b099552125直流公母头dc099插座55x21铜
图片尺寸553x323
多功能转接头2p弯头90度dc转接头dc转换头dc接头套装
图片尺寸1000x1000
dc电源插座全铜金属头带螺母dc插座 dc-026dc母座5.5*2.1/2.5插座
图片尺寸793x477
dc002电源插座 dc母座 3.5*1.1 1.3芯 平圆针 dc-002 jack
图片尺寸1920x1357
5*2.1 dc母座dc005 5521母座 dc电源插座dc-005
图片尺寸1920x1359
电源适配器常用dc线接头表
图片尺寸729x485
现货供应type-c母座16p接口端子接插件连接器母座可做过5a电流
图片尺寸676x487
华硕联想笔记本电脑dc电源头母座25mmdc电源充电口插座
图片尺寸1149x786
dc公母单头线 5521 5525 35135 4017 2507电池适配器3a电源线
图片尺寸750x1125
typec插座座座座座座座座座座座座座座座座座座16pin和24pin定义
图片尺寸1263x551
笔记本连接器dc接口 笔记本插座dc连接器 笔记本母座dc连接器
图片尺寸1445x1920
5音频母座 3极3.5耳机插座 三段耳机插座3节pj-331-5p
图片尺寸1920x1357
dc电源母座插座 dc-005半铜 针芯2.1mm 三脚插件dc插座2.0圆针
图片尺寸1013x409
dc直流电源插头插座接头005/022b公头母座5.5-2.1/2.5/3.
图片尺寸750x713
5*2.1/2.5mm 3脚/5脚 直流电源座 dc接口
图片尺寸678x456
直销dc-015电源插座母座 dc立式直流插口 三脚直插方形面板安装孔
图片尺寸1920x960