dc dc电源模块原理图

变压器电源模块原理图
图片尺寸800x566
隔离型dcdc高压电源模块
图片尺寸2507x1399
一种acdc电源模块
图片尺寸1680x1134
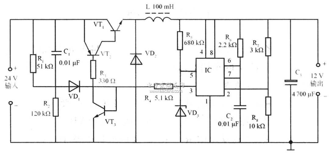
dcdc电源模块
图片尺寸425x437
一种dc电源输出可调电路的制作方法
图片尺寸1000x567
电源模块me3116dcdc降压模块设计
图片尺寸780x472
电源模块电路
图片尺寸709x444
2,dc-dc电源工作原理
图片尺寸1080x505
求dcdc升压模块的原理图
图片尺寸1261x574
51 dc-dc开关电源原理图
图片尺寸1525x1182
dcdc降压升压电源模块制作教程
图片尺寸879x527
一种dcdc电源模块电路
图片尺寸2568x1462
采用mc34063芯片的dc_dc电源变换控制器电源电路
图片尺寸1850x1283
d电源dcdc原理图pcb图
图片尺寸1104x408
一种ac-dc电源模块的制作方法
图片尺寸1000x676
dcdc隔离芯片实现dcdc隔离电源dcdc隔离模块3到36v输入5v5w输出
图片尺寸728x322
手把手教你构建可调线性acdc电源
图片尺寸1270x559
dcdc电源模块_dcdc电源模块原理-csdn博客
图片尺寸478x246
一种dcdc开关电源的模块化设计方法
图片尺寸2052x1949
ac-dc稳压电源 低纹波电源 可调线性电源 原理图pcb_ac/dc模块供电
图片尺寸1537x758