dcdc转换器工作原理图

一种dc62dc转换器
图片尺寸1656x1794
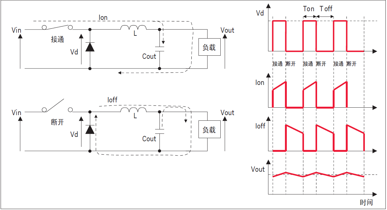
dc-dc 转换器的基本工作原理
图片尺寸1240x675
一种输出宽范围可调的变结构dcdc变换器的制作方法
图片尺寸1000x521
一种用于列车辅助供电的软开关隔离dcdc变换器
图片尺寸1590x693
稳定性好的双向dcdc变换器控制电路
图片尺寸1000x675
常见的dcdc工作原理
图片尺寸560x499
稳定性好的双向dcdc变换器控制电路
图片尺寸1743x1175
24v降压3.3v芯片,高效率的同步降压dc-dc转换器
图片尺寸2291x1146
超全六种dcdc变换电路分析比较
图片尺寸608x440
cn202115448u_带有can总线的电动汽车dc-dc变换器有效
图片尺寸1838x1032
cn112152439a_dc-dc转换器在审
图片尺寸2414x1306
背景技术:现有的降压型dc-dc变换器控制方法中,pwm控制因具有转换效率
图片尺寸1000x637
cn100530918c_dc-dc转换器及其控制方法有效
图片尺寸2808x1673
一种大功率充电用三端口dc/dc变换器
图片尺寸1511x795
me3149高效dcdc转换器的应用指导手册
图片尺寸790x512
学 院 学 报 第24卷 图2 带隔离输出的dc2dc变换电路原理
图片尺寸1850x1283
一种dcdc转换器控制电路及转换器
图片尺寸1805x1133
一种dcdc转换器制造技术
图片尺寸1000x552
电流型控制dcdcpwm转换器的原理电路图
图片尺寸600x369
cn1799184a_dc-dc转换器失效
图片尺寸1417x915